27 - SPEEDOMETER (GSF600SY/SUY/SK1/SK2/SK3/SK4/SUK1/SUK2/SUK3/SUK4)

27 - SPEEDOMETER (GSF600SY/SUY/SK1/SK2/SK3/SK4/SUK1/SUK2/SUK3/SUK4)
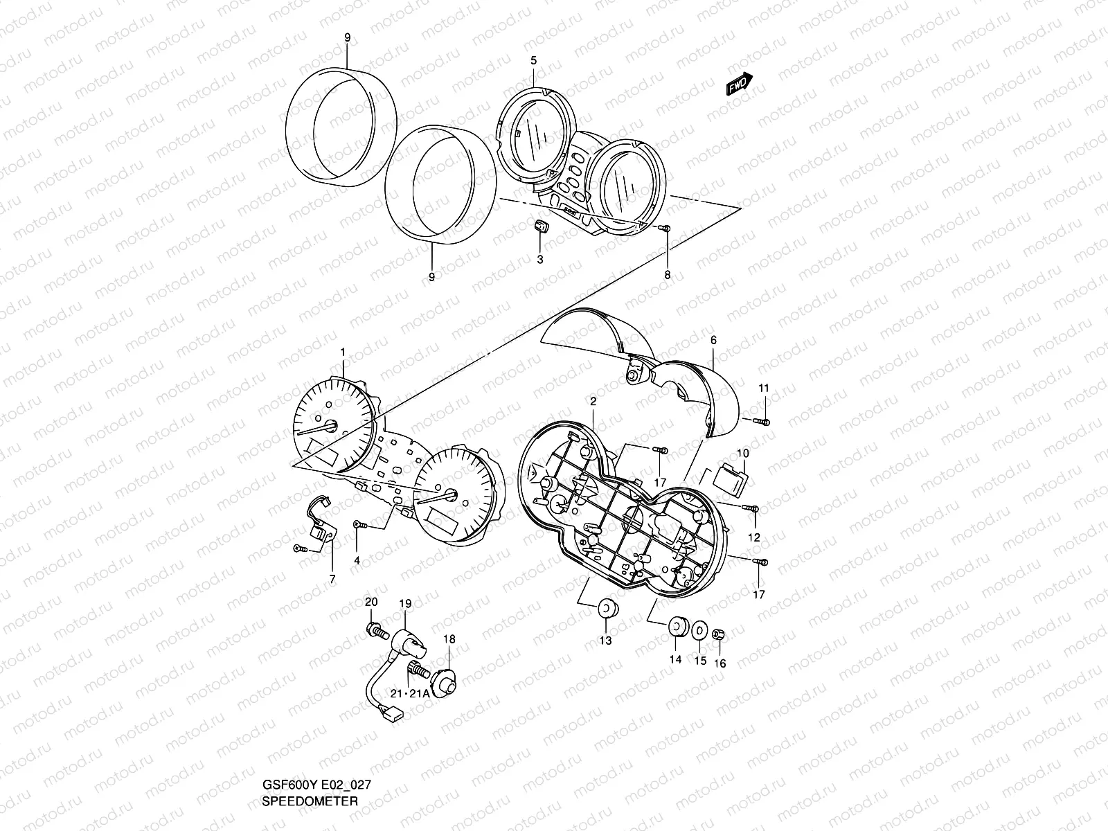
1
34120-31F20
Speedo meter
Цена по
запросу
1
34120-31FE0
Speedometer,e2
Цена по
запросу
1
34120-31F10
Speedo meter
Цена по
запросу
1
34120-31FD0
СП
66 198 ₽
2
34111-31F00
CASE ASSY,LWR
5 318 ₽
3
34124-32F00
Резинка переключателя
285 ₽
4
34149-17E10
SCREW(4X14)
170 ₽
5
34150-32F30
UPR CASE ASSY
14 076 ₽
6
34152-31F30
COVER
13 763 ₽
8
34183-31F10
SCREW(2.3X8)
207 ₽
9
34193-31F10
RING
4 184 ₽
10
34198-19F20
GROMMET
645 ₽
11
34149-31F10
Винт
278 ₽
12
09132-03008
SCREW,3X16
82 ₽
13
34955-13E01
Cushion,speedom
Цена по
запросу
14
34189-32B00
CUSHION
255 ₽
15
09160-05037
Шайба
97 ₽
16
08310-0005B
Гайка
1 370 ₽
17
34383-31F10
Винт
250 ₽
18
34981-38G01
РОТОР СПИДОМЕТРА
1 343 ₽
19
34990-35F00
Сенсор скорости
7 833 ₽
20
07120-0512B
БОЛТ
102 ₽
21
07130-0825B
Болт
129 ₽

Узлы для