26 - BATTERY

26 - BATTERY
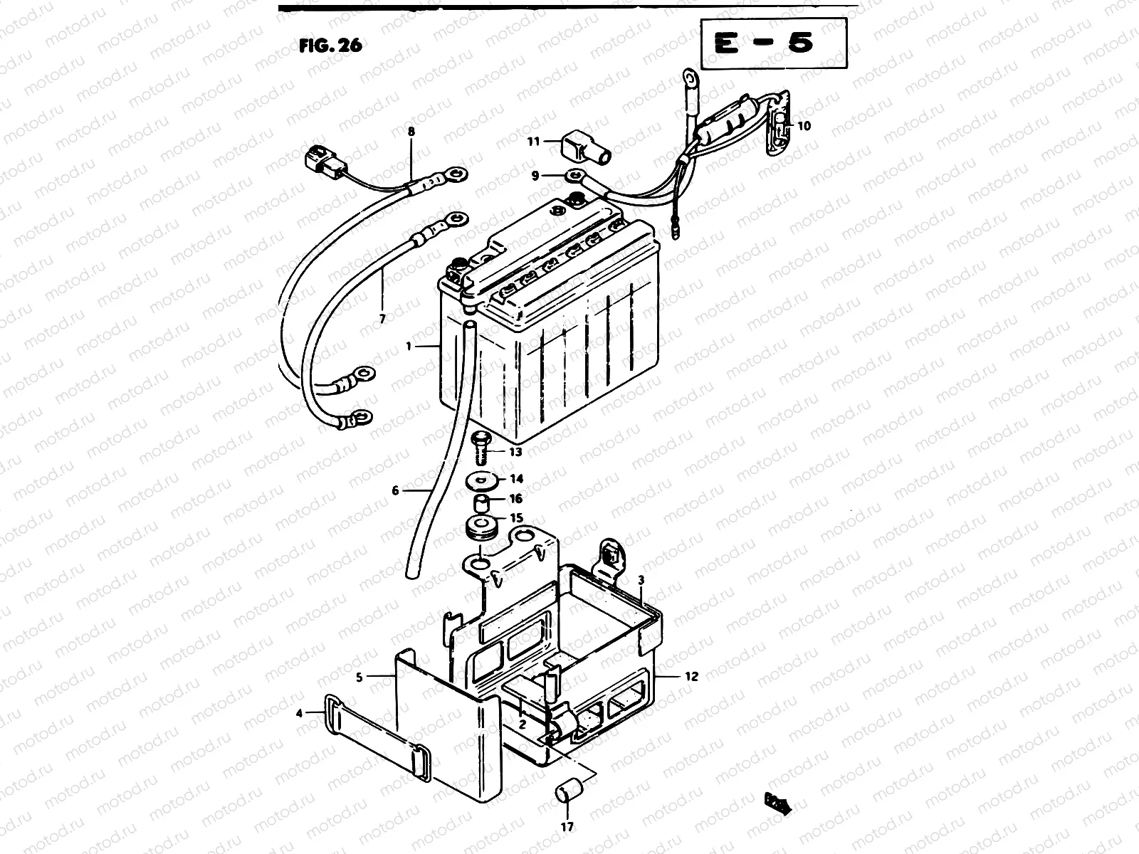
1
33610-11010
La batterie
2
33651-37000
PROTECTOR(170X95X3.0)
468 ₽
3
33651-37000
PROTECTOR(170X95X3.0)
468 ₽
4
09462-00034
ХОМУТ
510 ₽
5
33661-44101
Couvercle de la batterie
6
33680-16A11
Hose,battery Exhaust(L:780)
469 ₽
7
33850-03201
LEAD WIRE,BATTERY(-)
805 ₽
8
33860-44501
Wire battery
9
36740-11500
Case, assy,fuse
10
09481-15001
Предохранитель 15A
136 ₽
11
33624-45000
CAP,TERMINAL
680 ₽
12
41540-11500
Holder, battery
13
01500-06207
Болт
81 ₽
14
09160-06084
Шайба 6.5X18X1
81 ₽
15
09320-08001
Damper
16
09180-06283
Кольцо/шайба
162 ₽
17
09329-05006
CUSHION
1 210 ₽

Узлы для