25 - STARTING MOTOR (MODEL K8/K9)

25 - STARTING MOTOR (MODEL K8/K9)
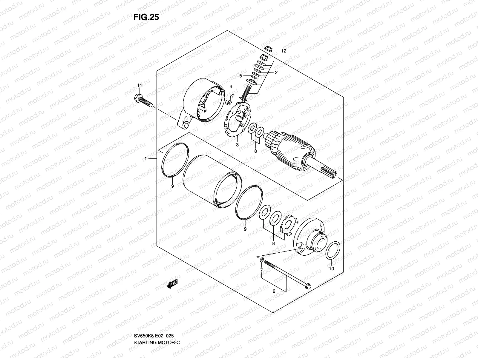
1
31100-19F10
MOTOR ASSY,STARTING
37 341 ₽
1
33624-18H10
CAP,STARTER MOTOR
493 ₽
2
31130-13E00
Плюсовая клемма, с щеткой "A"
3 795 ₽
3
31132-33E00
BRUSH HOLDER SET
5 355 ₽
4
31135-31300
Пружина щетки
309 ₽
5
31143-49040
КОЛЬЦО УПЛОТНИТЕЛЬНОЕ
227 ₽
6
31280-19F00
BOLT SET
1 024 ₽
7
31156-13E00
O RING
527 ₽
8
31170-19B10
Набор шайб
653 ₽
9
31264-13E00
O RING
578 ₽
10
09280-24003
КОЛЬЦО УПЛОТНИТЕЛЬНОЕ
179 ₽
11
09103-06212
БОЛТ
97 ₽
12
08361-3506A
ГАЙКА
82 ₽

Узлы для