25 - ELECTRICAL

25 - ELECTRICAL
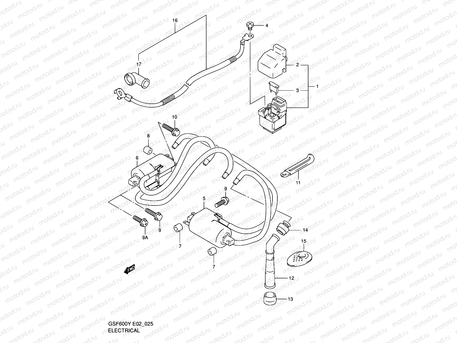
1
31800-26E00
Реле стартера
6 299 ₽
2
31861-26E00
COVER,STARTER RELAY
204 ₽
3
09481-30101
Предохранитель
129 ₽
4
09128-06013
SCREW(6X8)
740 ₽
5
33410-26E01
Катушка зажигания
15 640 ₽
6
33420-31F00
Катушка зажигания
11 886 ₽
7
09180-06095
SPACER(6X12X10)
2 110 ₽
8
09180-06195
SPACER(6.4X10X18)
187 ₽
9
01550-0625A
Болт
102 ₽
9
02162-0620C
Болт
85 ₽
10
01550-0635B
Болт
112 ₽
11
09404-06039
Clamp(L:65)
194 ₽
12
33510-48B10
Свечной колпачок
1 938 ₽
13
33541-23E01
SEAL,SPARK PLUG CAP
318 ₽
14
33542-38B00
Уплотнение
162 ₽
15
33543-48B00
COVER,SPARK PLUG CAP
2 665 ₽
16
33810-31F00
WIRE,STARTER MOTOR LEAD
1 975 ₽
17
31861-48B10
Крышка
344 ₽

Узлы для