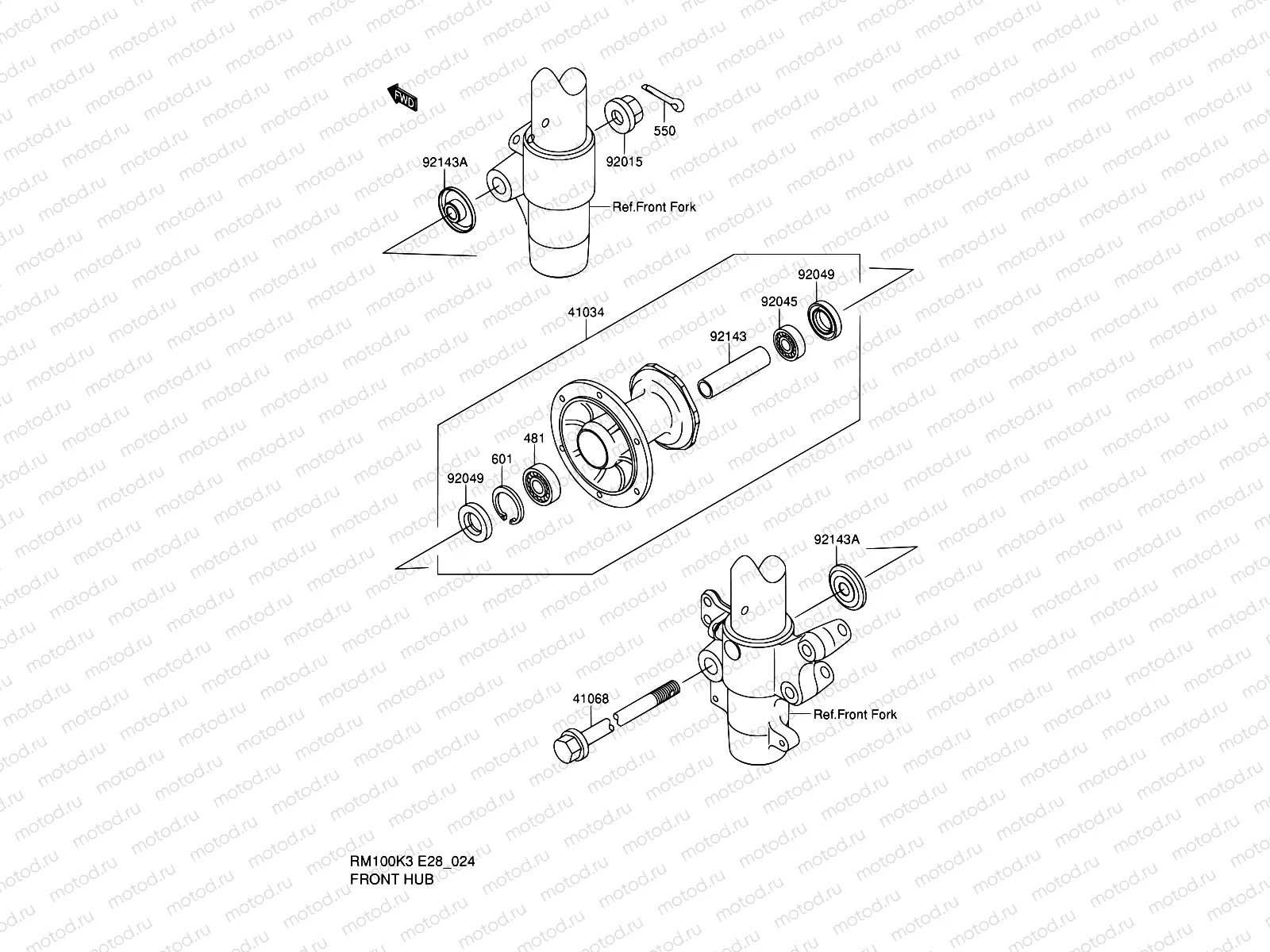
24 - FRONT HUB

24 - FRONT HUB
481
KK481-J3700
Circlip type c,
Цена по
запросу
550
KK550-D2520
Pin-cotter,2.5x20
Цена по
запросу
601
KKK60-1B630-1UU
EARING-BALL,#6201UUC3
1 716 ₽
41034
K4103-41310
Drum-assy,front brake
Цена по
запросу
41068
K4106-81333
Axle,fr
Цена по
запросу
92015
K9201-51433
Nut flanged,12m
Цена по
запросу
92045
K9204-51062
BEARING-BALL,TMB201LLUC3/2A
1 975 ₽
92049
K9204-91257
SEAL-OIL,TC20376.5
3 440 ₽
92143
K9214-31936
Collar,fr axle,l=12
Цена по
запросу
92143
K9214-31935
Collar,fr brake drum,l=76
Цена по
запросу

Узлы для