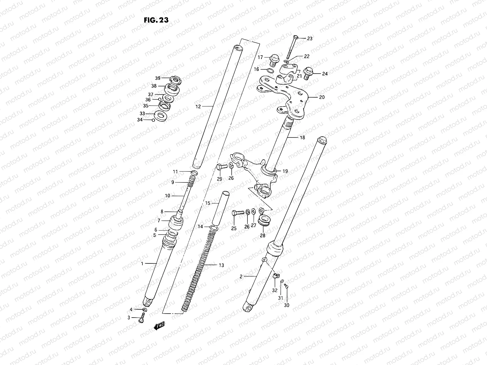
23 - FRONT FORK

23 - FRONT FORK
0
51100-03431
Цена по
запросу
1
51108-03810-163
Цена по
запросу
1
51131-03431
Tube, outer rh
Цена по
запросу
2
51141-03400-163
.tube, outer lh (yellow)
Цена по
запросу
2
51141-03431
Tube, outer lh
Цена по
запросу
3
51147-48130
BOLT(8X27)
221 ₽
4
51148-36011
GASKET
210 ₽
5
51153-03400
SEAL,OIL
1 796 ₽
6
51156-48130
RING,OIL SEAL STOPPER
364 ₽
7
51571-46100
COVER,FRONT FORK DUS
Цена по
запросу
8
51195-46684
.piece, oil lock
Цена по
запросу
9
51177-46100
SPRING,REBOUND
321 ₽
10
51146-03400
Цилиндр
2 757 ₽
11
51196-46100
Кольцо
559 ₽
12
51110-46450
TUBE,INNER
9 658 ₽
13
51171-03400
Spring
Цена по
запросу
14
51192-46100
JOINT,SPRING
227 ₽
15
51176-46100
Spacer,fr.fork
Цена по
запросу
16
09280-18004
КОЛЬЦО УПЛОТНИТЕЛЬНОЕ
272 ₽
17
51351-46190
CAP
1 357 ₽
18
51410-03410-126
.stem, steering (pearl)
Цена по
запросу
19
51621-33001
RACE,STEERING OUTER LWR
867 ₽
20
51310-03411-126
.stem head, steering (pearl)
Цена по
запросу
21
56211-13620-126
Holder.handleba
Цена по
запросу
22
08321-01087
Пластина замка
81 ₽
23
01204-08557
BOLT
129 ₽
24
51352-46101
Болт
594 ₽
25
01500-1035A
Vis
Цена по
запросу
26
08321-01107
Шайба, стопорная
85 ₽
27
08322-0110B
Шайба
85 ₽
28
51455-03401
CLIP
Цена по
запросу
29
01500-1030A
БОЛТ
102 ₽
30
02112-0412A
Болт
85 ₽
31
08321-0104A
Пластина замка
82 ₽
32
51452-46040
CLIP,FR BRAKE CABLE
340 ₽
33
51611-33002
ПРОКЛАДКА
867 ₽
34
06111-08003
Шарик стальной
82 ₽
35
51611-20002
STEERING UPPER RACE
646 ₽
36
06111-06003
Шарик стальной
85 ₽
37
51621-28000
Обойма подшипника
680 ₽
38
51643-25001
DUST SEAL,STEERING UPR
238 ₽
39
51631-28000
NUT,STEERING STEM(25X44X10)
935 ₽

Узлы для