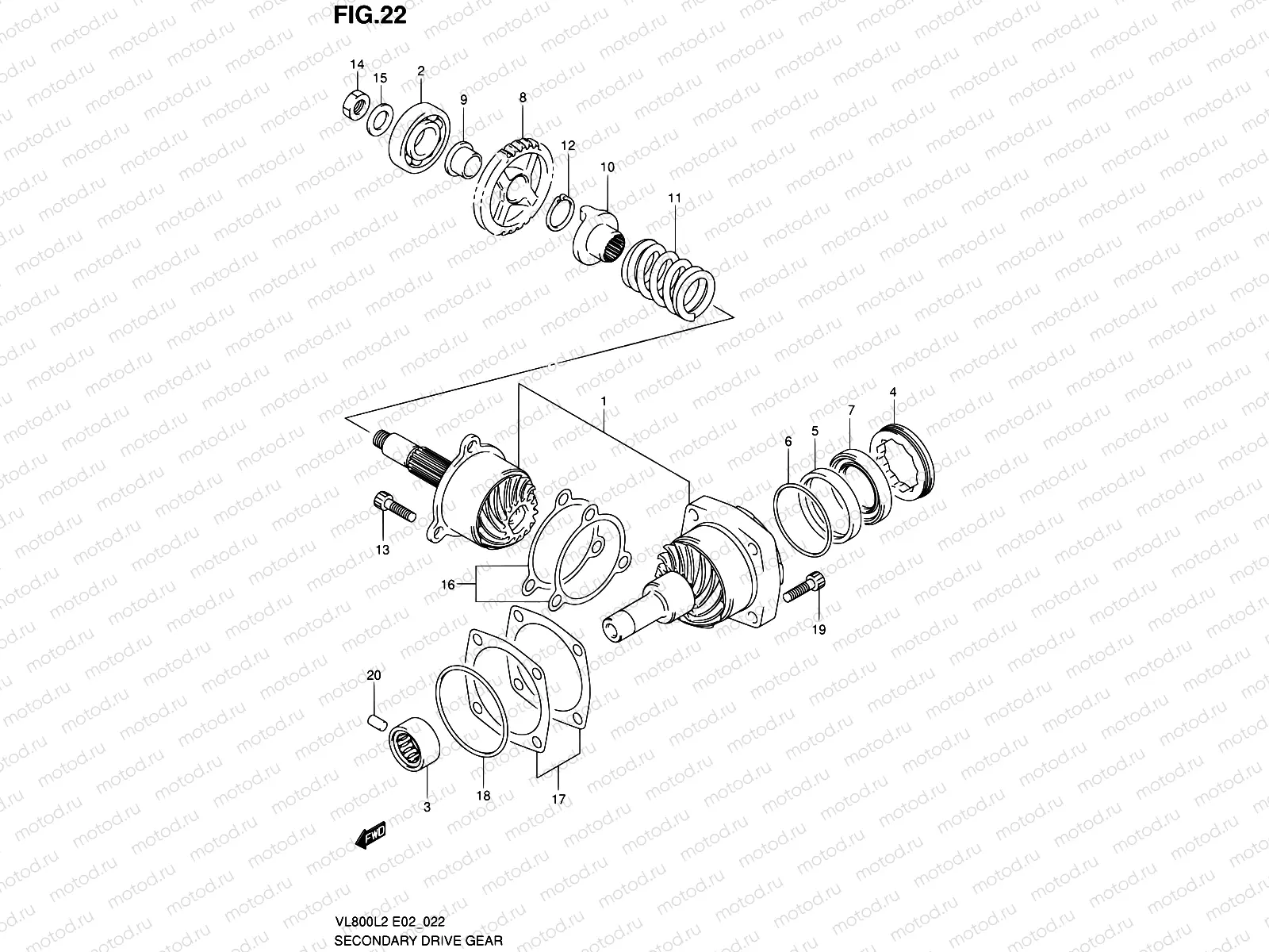
22 - SECONDARY DRIVE GEAR

22 - SECONDARY DRIVE GEAR
1
24900-41810
ВАЛ ТРАНСМИССИИ
91 256 ₽
2
09262-20073
ПОДШИПНИК КАЧЕНИЯ
1 308 ₽
3
09263-20038
BEARING(20X34X16)
3 363 ₽
4
24942-38A50
STOPPER,SEC DRIVEN BEARING
3 363 ₽
5
24943-38A50
Обойма сальника
4 457 ₽
6
09280-60003
O RING(D:1.2,ID:59.6)
437 ₽
7
09283-38016
САЛЬНИК
1 083 ₽
8
24631-38A00
GEAR,REDUCTION DRIVEN(NT:30)
8 055 ₽
9
24632-38A00
Втулка
1 267 ₽
10
24922-38A00
DOG,OUTPUT CAM
4 066 ₽
11
09440-44002
Пружина
13 370 ₽
12
08331-3121A
Circlip
13
09106-08097
Болт корпуса подшипника
1 520 ₽
14
09140-16005
Гайка
275 ₽
15
09160-16029
Шайба
3 170 ₽
16
24935-38810
SHIM SET,SEC DRIVE GEAR
1 662 ₽
17
24945-05810
SHIM SET,SEC DRIVEN HOUSING
1 920 ₽
18
09280-67004
O RING(D:2.1,ID:66.2)
226 ₽
19
09106-08097
Болт корпуса подшипника
1 520 ₽
20
04221-07129
PIN
1 060 ₽

Узлы для