ЭЛЕКТРИЧЕСКОЕ ОБОРУДОВАНИЕ для RM-Z450 L3 (E03,E28,E33) SUZUKI

22 - ELECTRICAL
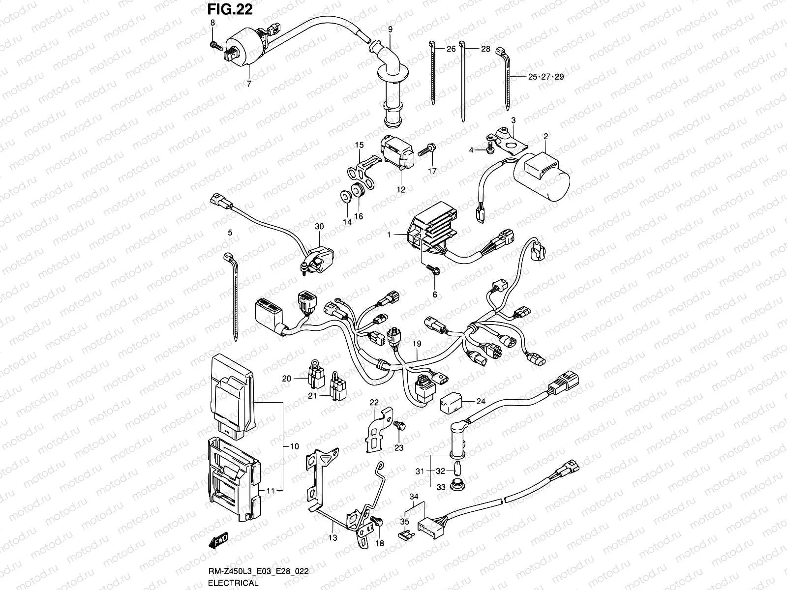
1
32800-28H00
RECTIFIER ASSY
12 786 ₽
2
33640-28H00
КОНДЕНСАТОР
9 044 ₽
3
33641-28H00
BRACKET,CONDENSER
555 ₽
4
09103-06188
Болт 6X10
1 410 ₽
5
09407-25401
Хомут
221 ₽
6
02162-0620C
Болт
85 ₽
7
33410-28H00
COIL ASSY,IGNITION
6 800 ₽
8
07130-0620B
БОЛТ
97 ₽
9
33510-28H00
Крышка свечи зажигания
4 505 ₽
10
32920-28HA0
Control unit, fi
Цена по
запросу
11
32981-28HA0
CUSHION,FI CONTROL UNIT
2 111 ₽
12
33960-06G10
SENSOR ASSY,FUEL CUT
6 379 ₽
13
32931-28H00
BRACKET,FI CONTROL UNIT
2 248 ₽
14
09180-06331
Кольцо/шайба
2 310 ₽
15
33961-28HA0
BRACKET,FUEL CUT SENSOR
383 ₽
16
09320-08501
САЙЛЕНТБЛОК
1 880 ₽
17
09116-06103
BOLT(6X30)
1 520 ₽
18
01550-0610B
Болт
85 ₽
19
36610-28H40
ARNESS,WIRING
35 581 ₽
20
36852-28H00
Wire, short
Цена по
запросу
21
36852-49H00
Wire, short
Цена по
запросу
22
36672-28H10
BRACKET,COUPLER
571 ₽
23
01547-0610B
БОЛТ
82 ₽
24
36654-46H01
Cap,ts
Цена по
запросу
25
09407-14403
КЛЕММА
221 ₽
26
09407-14403
КЛЕММА
221 ₽
27
09407-14403
КЛЕММА
221 ₽
28
09407-14407
ЗАЖИМ
221 ₽
29
09407-18402
Струбцина (L:165)
211 ₽
30
37820-36E00
Переключатель двигателя
2 423 ₽
31
36380-28H00
LAMP ASSY,FI INDICATOR
4 497 ₽
32
09471-12028
Лампочка
210 ₽
33
36321-28H00
Линза
579 ₽
34
36890-28H00
WIRE,BATTERY
4 575 ₽
35
09481-10010-025
Fusible (10A)
Цена по
запросу

Узлы для