22 - 2ND AIR

22 - 2ND AIR
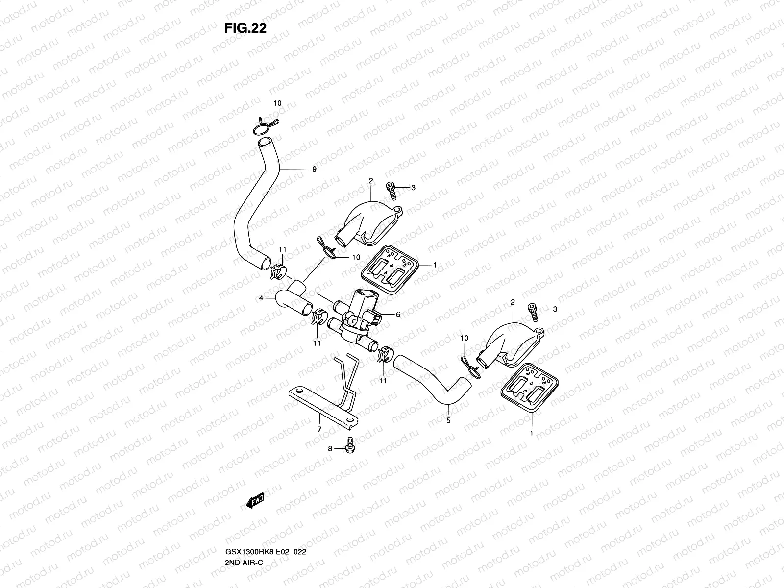
1
18450-35F30
VALVE ASSY,2ND AIR REED
5 950 ₽
2
18531-15H01
COVER,2ND AIR REED VALVE
1 904 ₽
3
09106-06073
БОЛТ
170 ₽
4
18461-15H00
OSE,2ND AIR VALVE,R
1 161 ₽
5
18471-15H00
OSE,2ND AIR VALVE,L
1 232 ₽
6
18510-29G31
VALVE ASSY,AIR CUT
6 686 ₽
7
18610-15H00
BRACKET,2ND AIR VALVE
1 598 ₽
8
09103-06283
БОЛТ
1 600 ₽
9
18711-15H00
OSE,2ND AIR CLEANER
2 092 ₽
10
09401-17201
ХОМУТ МАЛЫЙ
1 520 ₽
11
09401-17401
ХОМУТ МАЛЫЙ
1 520 ₽

Узлы для