21A - ELECTRICAL

21A - ELECTRICAL
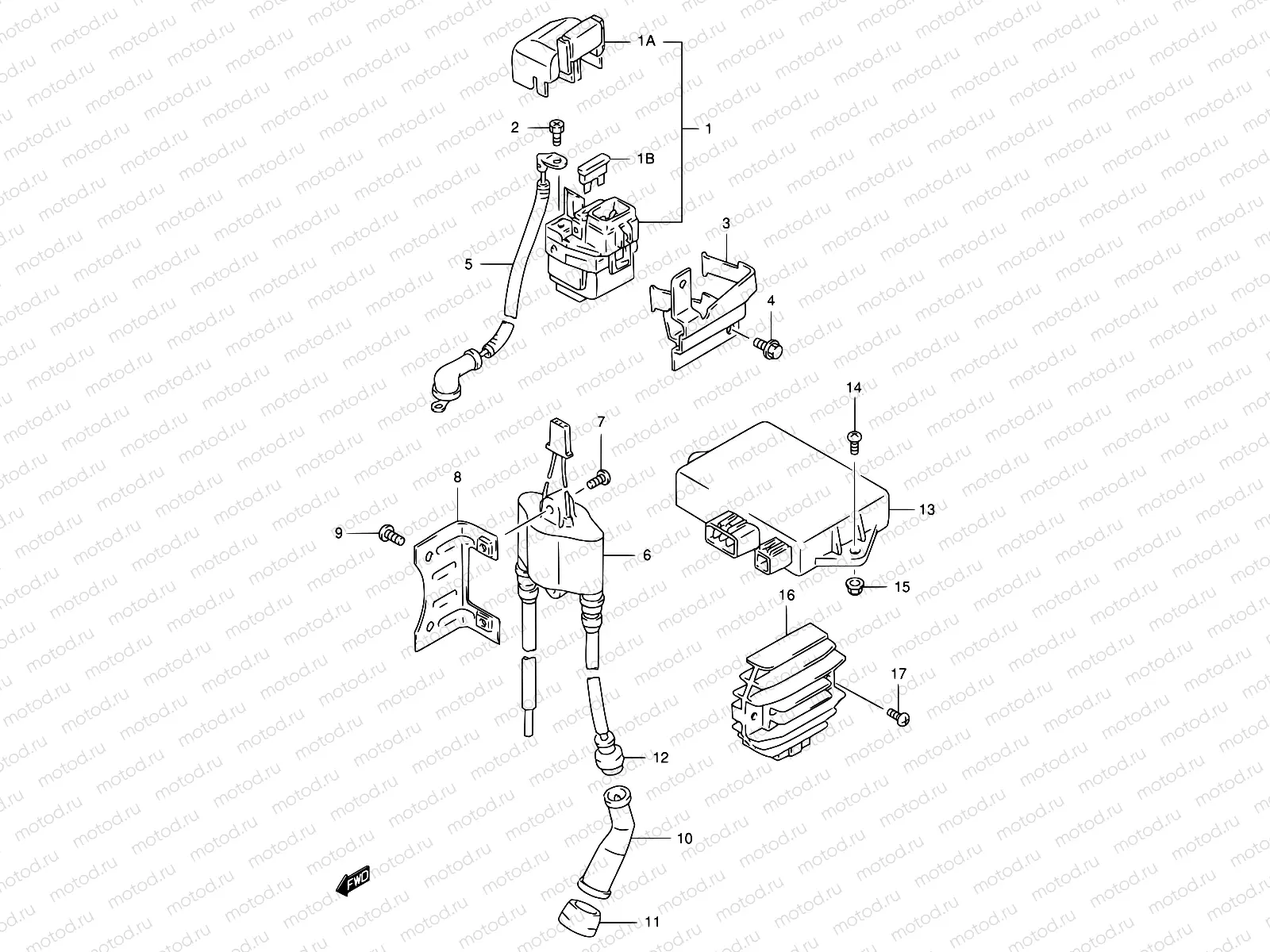
1
31800-26E00
Реле стартера
6 299 ₽
1
31861-26E00
COVER,STARTER RELAY
204 ₽
1
09481-30101
Предохранитель
129 ₽
2
09128-06013
SCREW(6X8)
740 ₽
3
31890-32E00
Кронштейн реле мотора
1 017 ₽
4
09103-06078
BOLT(6X8)
1 020 ₽
5
33810-32E00
WIRE,STARTER MOTOR
1 857 ₽
6
33410-32E00
Катушка зажигания
10 518 ₽
7
02142-0625A
Болт
82 ₽
8
33416-32E00
Кронштейн
551 ₽
9
02142-0610B
Винт держатель
85 ₽
10
33510-43010
Свечной колпачок
2 040 ₽
11
33541-47D00
Уплотнение
452 ₽
12
33542-38B00
Уплотнение
162 ₽
13
32900-32E00
Cdi unit
Цена по
запросу
14
02142-0620B
Болт
1 060 ₽
15
08319-3106B
Гайка
1 490 ₽
16
32800-32E00
RECTIFIER ASSY
14 897 ₽
17
02142-0620B
Болт
1 060 ₽

Узлы для