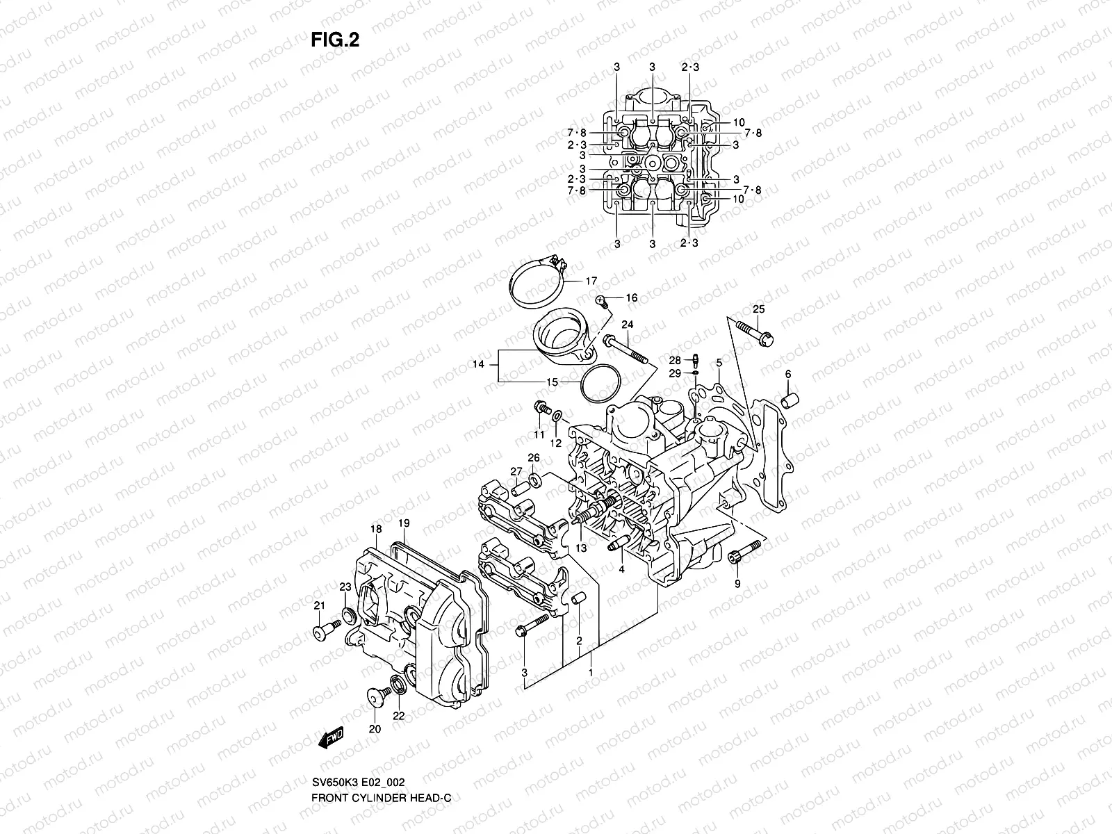
2 - FRONT CYLINDER HEAD (MODEL K3/K4/K5/K6)

2 - FRONT CYLINDER HEAD (MODEL K3/K4/K5/K6)
1
11101-17G01
Cylinder head
Цена по
запросу
2
09206-08001
Стопор
170 ₽
3
09103-06026
BOLT(6X39)
101 ₽
4
11115-18D72
Направляющая клапана
2 053 ₽
5
11141-20F00
Прокладка головки цилиндров
3 392 ₽
6
04211-13189
ШТИФТ
129 ₽
7
09160-10082
ШАЙБА
102 ₽
8
09103-10272
BOLT,10X160
1 224 ₽
9
07120-0640B
БОЛТ
114 ₽
10
09103-06103
BOLT(6X70)
162 ₽
11
07120-0612B
БОЛТ
184 ₽
12
09168-06023
ПРОКЛАДКА
162 ₽
14
13101-17G01
Pipe d’admission (FRONT)
Цена по
запросу
15
09280-46007
O Ring(D:2.4,id:47X42)
291 ₽
16
02122-0616B
Болт
85 ₽
17
09402-62208
ХОМУТ РУЛ. НАК.
275 ₽
18
11171-17G00
Cover,cylinder
Цена по
запросу
19
11173-19F01
Прокладка под клапанную крышку
2 992 ₽
20
09106-07021
БОЛТ
275 ₽
21
09106-07010
BOLT(7X31)
437 ₽
22
09161-11008
Шайба
226 ₽
23
11192-13E00
CUSHION,HEAD COVER BOLT
258 ₽
24
09103-10244
BOLT(10X105)
4 890 ₽
25
01550-10707
Болт
255 ₽
26
11182-35F00
GASKET,2ND AIR PASSAGE
170 ₽
27
09206-08007
PIN(6.2X8X16)
1 520 ₽

Узлы для