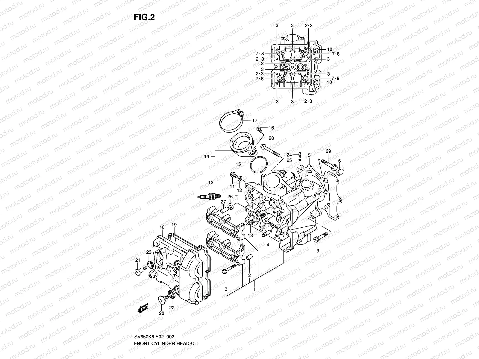
2 - FRONT CYLINDER HEAD

2 - FRONT CYLINDER HEAD
1
11101-17G21
HEAD ASSY,CYLINDER FR
81 532 ₽/шт
2
09206-08001
Стопор
170 ₽/шт
3
09103-06026
BOLT(6X39)
101 ₽/шт
4
11115-18D72
Направляющая клапана
2 053 ₽/шт
5
11141-20F00
Прокладка головки цилиндров
3 392 ₽/шт
6
04211-13189
ШТИФТ
129 ₽/шт
7
09160-10082
ШАЙБА
102 ₽/шт
8
09103-10272
BOLT,10X160
1 224 ₽/шт
9
07120-0640B
БОЛТ
114 ₽/шт
10
09103-06103
BOLT(6X70)
162 ₽/шт
11
07120-0612B
БОЛТ
184 ₽/шт
12
09168-06023
ПРОКЛАДКА
162 ₽/шт
14
13101-17G10
Pipe d’admission (FRONT)
15
09280-46007
O Ring(D:2.4,id:47X42)
291 ₽/шт
16
02122-0616B
Болт
85 ₽/шт
17
09402-62208
ХОМУТ РУЛ. НАК.
275 ₽/шт
18
11171-17G10
COVER,CYLINDER HEAD FR
19 210 ₽/шт
19
11173-19F01
Прокладка под клапанную крышку
2 992 ₽/шт
20
09106-07021
БОЛТ
275 ₽/шт
21
09106-07010
BOLT(7X31)
437 ₽/шт
22
11191-27E00
Шайба
371 ₽/шт
23
11192-13E00
CUSHION,HEAD COVER BOLT
258 ₽/шт
24
09493-80005
JET(8)
1 131 ₽/шт
25
09280-04004
O RING(D:1.2,ID:4.0)
194 ₽/шт
26
11182-35F00
GASKET,2ND AIR PASSAGE
170 ₽/шт
27
09206-08007
PIN(6.2X8X16)
1 520 ₽/шт
28
09103-10244
BOLT(10X105)
4 890 ₽/шт
29
01550-10707
Болт
255 ₽/шт

Узлы для