2 - CYLINDER HEAD COVER

2 - CYLINDER HEAD COVER
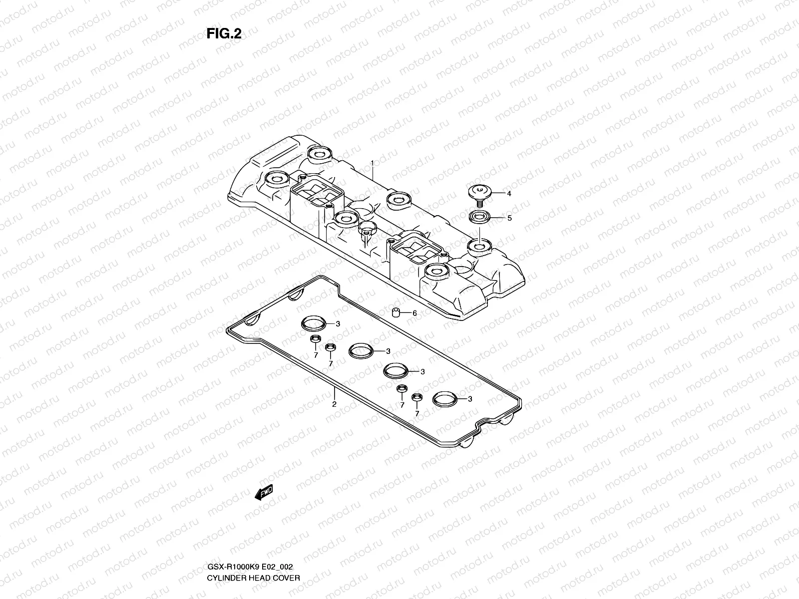
1
11171-47H00
Крышка головки цилиндра
39 882 ₽
2
11173-35F00
Прокладка клапанной крышки NO.1
3 715 ₽
3
11178-33E00
Прокладка свечного колодца
459 ₽
4
09106-07021
БОЛТ
275 ₽
5
11191-27E00
Шайба
371 ₽
6
09206-10016
СТЕРЖЕНЬ
4 730 ₽
7
11182-35F10
GASKET,2ND AIR PASSAGE
337 ₽

Узлы для