2 - CYLINDER HEAD

2 - CYLINDER HEAD
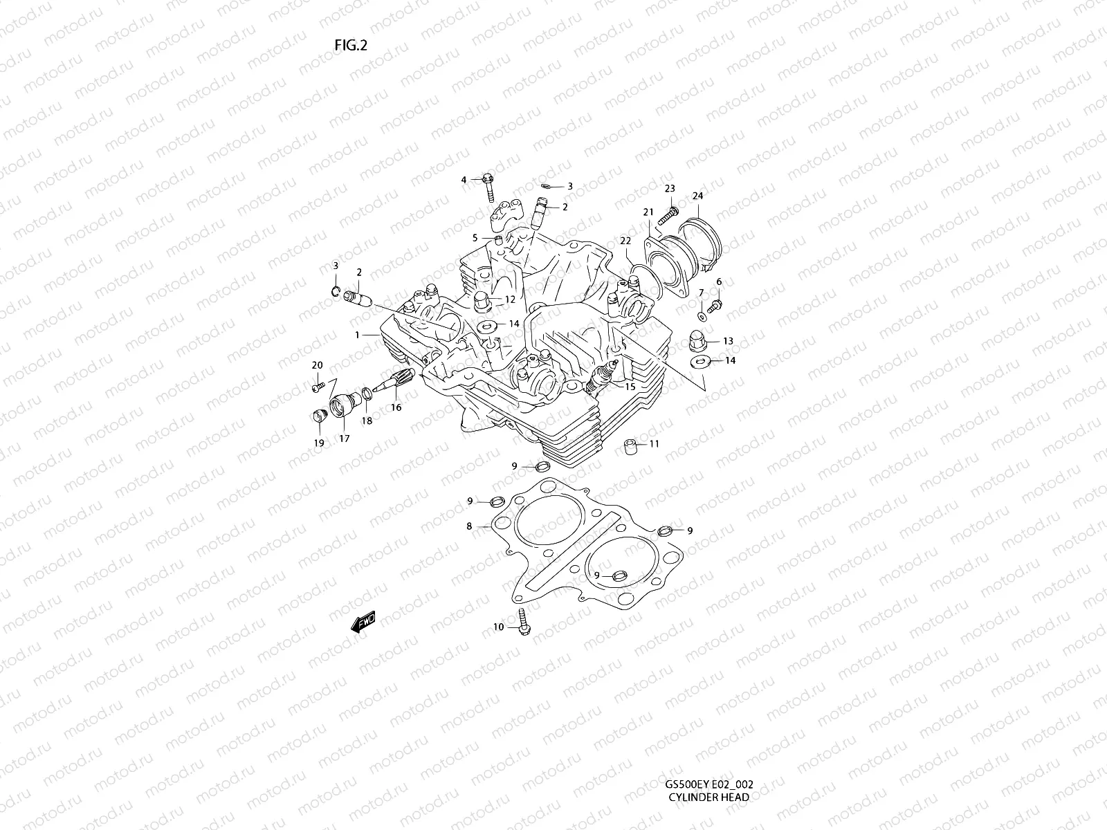
1
11100-01D20
Головка цилиндров
91 630 ₽
1
11100-01D30
Head assy, cylinder
Цена по
запросу
2
11115-45740
Направляющая впускного клапана
3 400 ₽
3
09381-10003
RING,SNAP
114 ₽
4
09103-06071
BOLT(6X39)
1 330 ₽
5
09206-08001
Стопор
170 ₽
6
07120-0612B
БОЛТ
184 ₽
7
09168-06023
ПРОКЛАДКА
162 ₽
8
11141-01D11
Прокладка головки цилиндра
3 230 ₽
9
11143-06B00
Кольцо головки цилиндров
404 ₽
10
01550-0630A
БОЛТ
102 ₽
11
04211-11189
ШТИФТ
119 ₽
12
09159-10069
Гайка
3 440 ₽
13
09159-10026
Гайка
3 750 ₽
14
09168-10031
Прокладка
129 ₽
15
09482-00334
SPARK PLUG DPR8EA-9
727 ₽
16
26431-45002
GEAR,TACHOMETER DRIVEN
3 343 ₽
17
26441-49000
SLEEVE,TACHOMETER DRIVE GEAR
2 805 ₽
18
26451-45000
BAND,DRIVEN GEAR SEAL
289 ₽
19
09289-05002
Сальник
825 ₽
20
09128-05101
SCREW(5X12)
102 ₽
21
13101-01D00
PIPE ASSY,INTAKE
5 355 ₽
21
13101-01D40
Труба впускная
5 017 ₽
22
09280-40020
КОЛЬЦО УПЛОТНИТЕЛЬНОЕ
533 ₽
23
02112-1616A
Болт
1 170 ₽
24
09402-54208
CLAMP
3 280 ₽

Узлы для