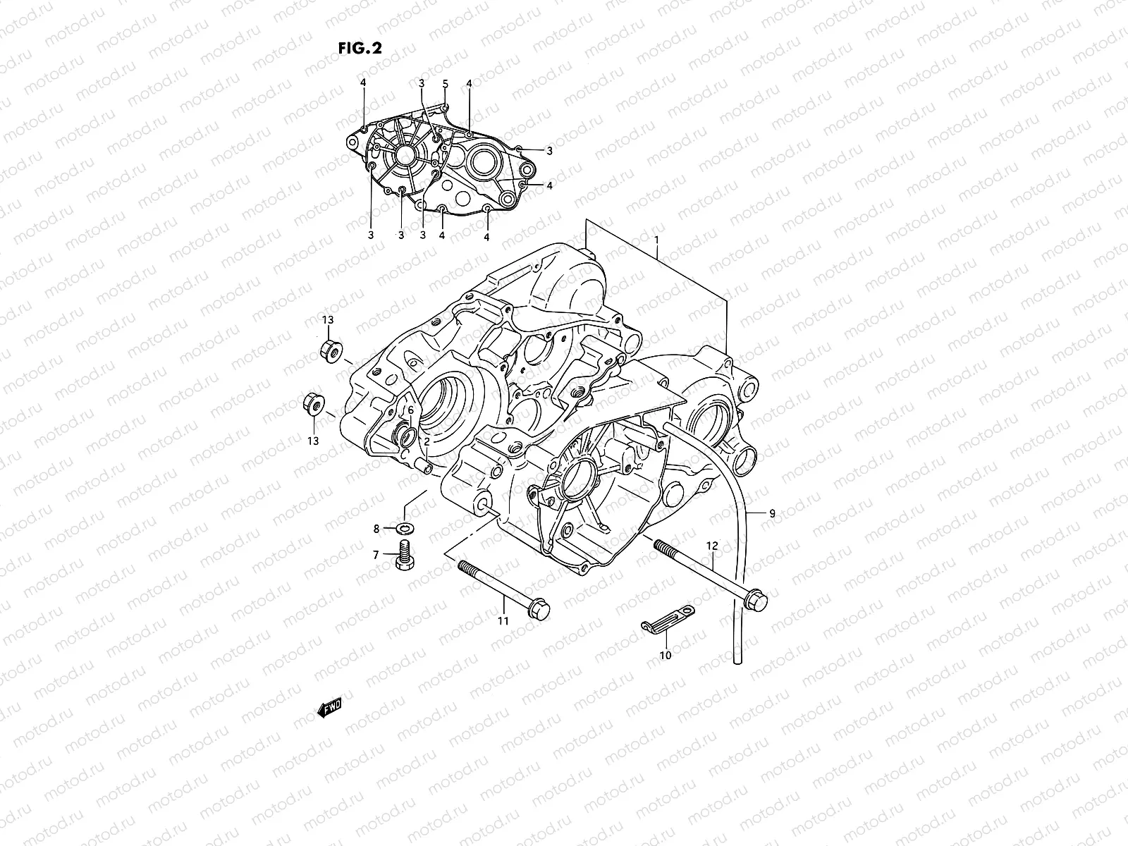
2 - CRANKCASE (MODEL G/H)

2 - CRANKCASE (MODEL G/H)
1
11305-02820
Crankcase set
Цена по
запросу
2
04211-09129
Стопор
102 ₽
3
02112-06407
Болт
85 ₽
4
02112-06507
Болт
82 ₽
5
02112-06557
Болт
82 ₽
6
09280-14004
КОЛЬЦО УПЛОТНИТЕЛЬНОЕ
187 ₽
7
01500-0816B
Болт
85 ₽
8
09168-08016
Прокладка
129 ₽
9
09352-40706-600
Hose(4X7X600)
309 ₽
10
09404-06039
Clamp(L:65)
194 ₽
11
09103-08183
Bolt (8x95)
Цена по
запросу
12
09103-08184
Bolt (8x105)
Цена по
запросу
13
09159-08067
Гайка
344 ₽

Узлы для