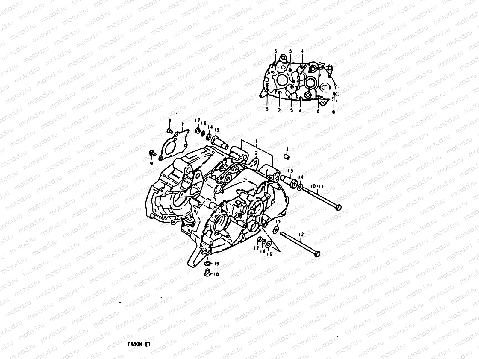
2 - CRANKCASE

2 - CRANKCASE
1
11300-35873
Crankcase set
Цена по
запросу
2
11481-35302
Gasket
Цена по
запросу
2
11481-35301
Gasket
Цена по
запросу
3
04211-13189
ШТИФТ
129 ₽
4
02112-0665B
Болт
1 520 ₽
5
02112-06457
Винт 6X45
85 ₽
6
02112-06307
Болт
85 ₽
7
12521-23000
Plate, oil reservoir
Цена по
запросу
8
02122-0612B
Болт
82 ₽
9
02112-06127
Болт
81 ₽
9
02122-0612B
Болт
82 ₽
10
09100-08026-XC0
BOLT(8X110)
2 540 ₽
11
09103-08134
BOLT(8X110)
194 ₽
12
09116-08064
Болт 8X115
3 990 ₽
13
09319-08010
Bushing
Цена по
запросу
14
08322-01087
Шайба
81 ₽
15
09160-08128
Шайба
1 840 ₽
16
08321-01087
Пластина замка
81 ₽
17
08310-00087
Гайка 8MM
81 ₽
18
09247-10001
Заглушка масляного дренажа
1 560 ₽
19
09168-10002
Прокладка
178 ₽

Узлы для