1A - FRONT CYLINDER HEAD

1A - FRONT CYLINDER HEAD
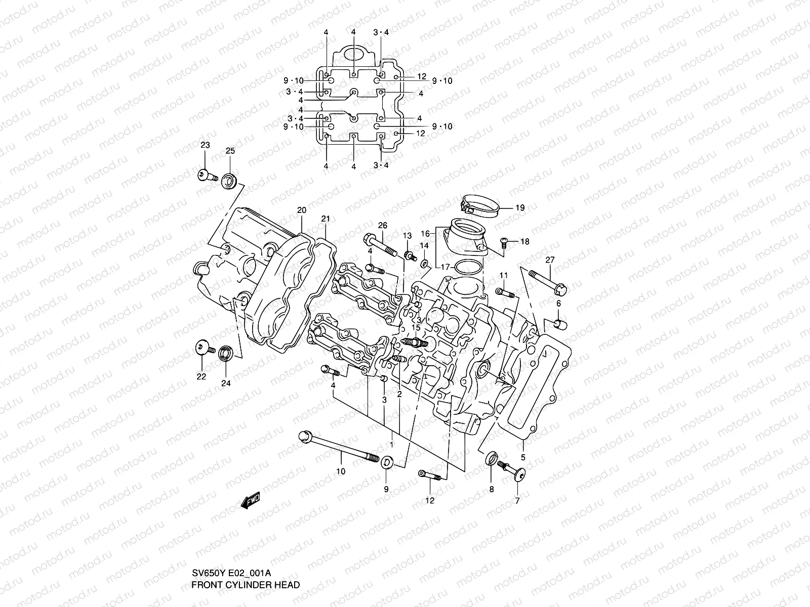
1
11101-20F21
Cylinder head
Цена по
запросу
1
11101-20F11
Cylinder head
Цена по
запросу
1
11101-20F30
Head assy, cylinder front
Цена по
запросу
1
11101-20F31
Head assy, cylinder front
Цена по
запросу
2
11115-18D72
Направляющая клапана
2 053 ₽
3
09206-08001
Стопор
170 ₽
4
09103-06026
BOLT(6X39)
101 ₽
5
11141-20F00
Прокладка головки цилиндров
3 392 ₽
6
04211-13189
ШТИФТ
129 ₽
7
11161-33E00
BOLT,CYL HEAD SIDE FACE
626 ₽
8
11191-13E00
WASHER,HEAD COVER
226 ₽
9
09160-10082
ШАЙБА
102 ₽
10
09103-10272
BOLT,10X160
1 224 ₽
11
07120-0640B
БОЛТ
114 ₽
12
09103-06103
BOLT(6X70)
162 ₽
13
07120-0612B
БОЛТ
184 ₽
14
09168-06023
ПРОКЛАДКА
162 ₽
16
13101-20F00
PIPE ASSY,INTAKE FR
7 510 ₽
17
09280-46007
O Ring(D:2.4,id:47X42)
291 ₽
18
02122-0616B
Болт
85 ₽
19
09402-56901
Хомут
255 ₽
20
11171-19F20
COVER,CYLINDER HEAD FR
10 401 ₽
21
11173-19F01
Прокладка под клапанную крышку
2 992 ₽
22
09106-07021
БОЛТ
275 ₽
23
09106-07010
BOLT(7X31)
437 ₽
24
09161-11008
Шайба
226 ₽
25
11192-13E00
CUSHION,HEAD COVER BOLT
258 ₽
26
01550-10807
Болт
2 620 ₽
27
01550-10807
Болт
2 620 ₽

Узлы для