ТРАНСМИССИЯ для VS750GLEF H Intruder (E02,E04,E15,E16,E17,E18,E21,E22,E25,E34,E39) SUZUKI

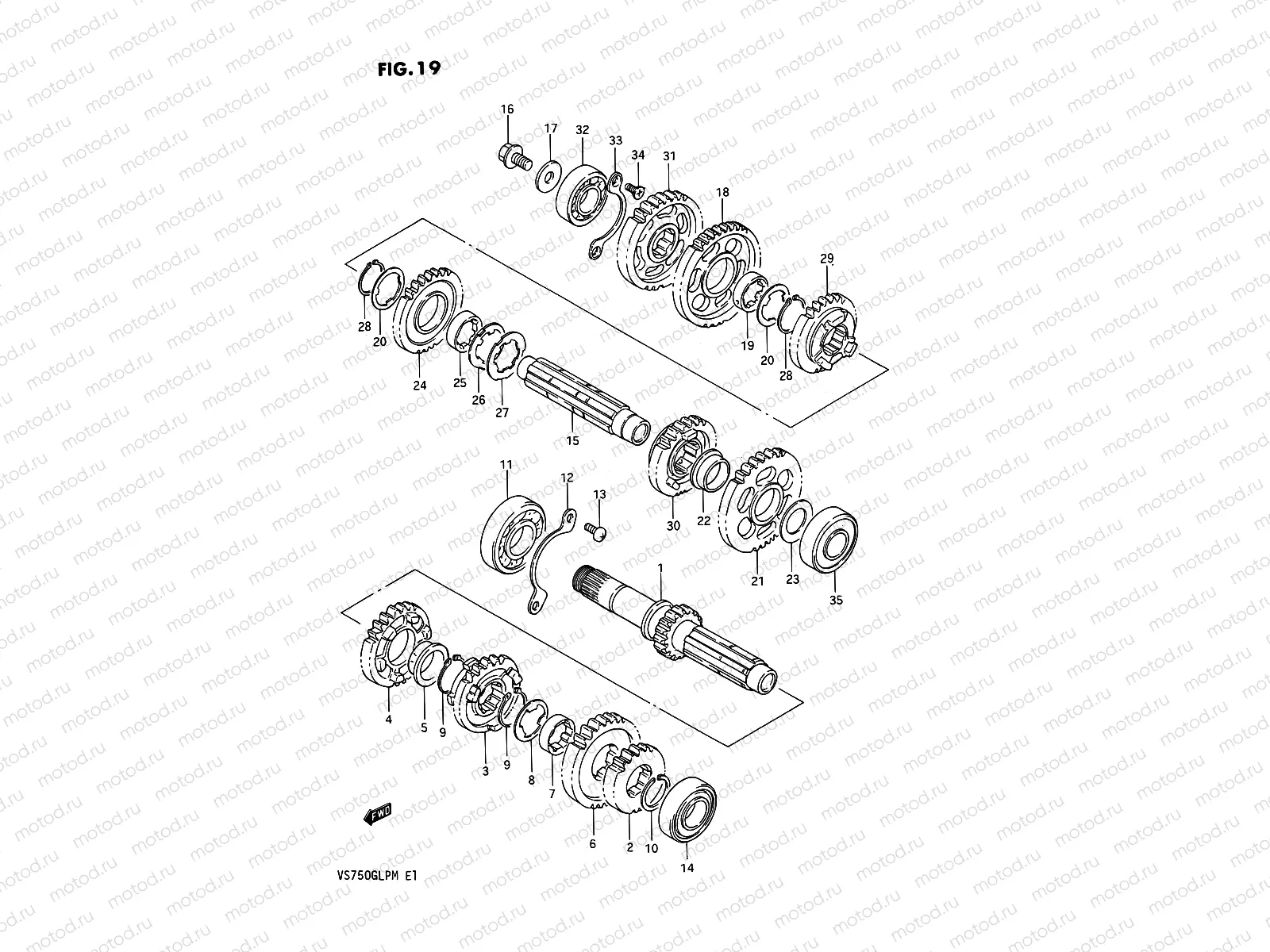
19 - TRANSMISSION
1
24100-38813
Countershaft (nt:14)
Цена по
запросу
2
24221-38A01
GEAR,2ND DRIVE(NT:19)
8 055 ₽
3
24231-45C00
Gear,3rd drive
Цена по
запросу
4
24241-38A00
Gear,4th drive
Цена по
запросу
5
24322-19F00
Втулка
1 193 ₽
6
24251-38A01
Gear,5th drive
Цена по
запросу
7
24252-38A10
Втулка
1 017 ₽
8
09167-25016
Шайба
226 ₽
9
09380-25003
КЛИПС
291 ₽
10
09380-25010
КЛИПС
210 ₽
11
09262-25080
Подшипник
1 938 ₽
12
24741-38A00
RETAINER,CNTR SHAFT BEARING
368 ₽
13
02112-3612A
Болт
1 250 ₽
14
09262-20139
Подшипник
1 938 ₽
15
24131-38A03
SHAFT,DRIVE
9 971 ₽
16
24135-38A02
Распылитель
457 ₽
17
08211-10305
Шайба
2 030 ₽
18
24311-38A01
Gear, 1st driven (nt:32)
Цена по
запросу
19
24332-07A00
Втулка
899 ₽
20
09167-28001
WASHER,LOCK
2 310 ₽
21
24321-38A00
Gear,2nd driven
Цена по
запросу
22
09301-22002
Втулка
6 410 ₽
23
08211-20341
WASHER
1 410 ₽
24
24331-38A02
GEAR,3RD DRIVEN(NT:27)
8 055 ₽
25
24332-07A00
Втулка
899 ₽
26
09169-28001
Пластина замка
1 840 ₽
27
09167-28002
Пластина замка
2 310 ₽
28
08331-31289
CIRCLIP
1 250 ₽
29
24341-45C00
Gear,4th driven
Цена по
запросу
30
24351-38A03
GEAR,5TH DRIVEN
7 546 ₽
31
24621-38A00
GEAR,REDUCTION DRIVE(NT:30)
7 077 ₽
32
09262-20073
ПОДШИПНИК КАЧЕНИЯ
1 308 ₽
33
24751-38A00
RETAINER,DRIVE SHAFT BEARING
368 ₽
34
02122-06127
Болт
85 ₽
35
09262-20080
Подшипник
1 938 ₽

Узлы для