19 - STARTING MOTOR

19 - STARTING MOTOR
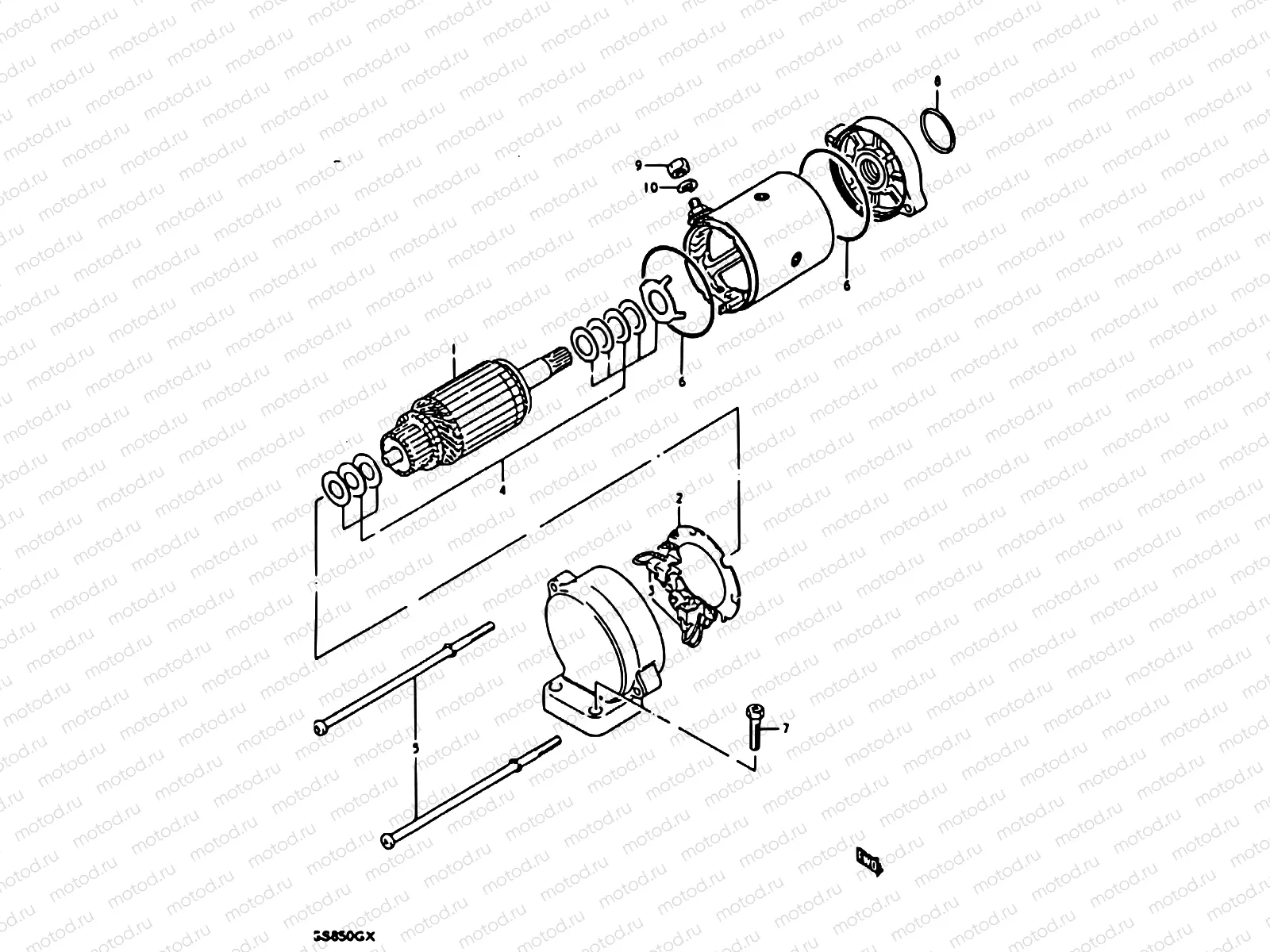
1
31311-31040
.armature
Цена по
запросу
2
31173-31040
Holder,brush
Цена по
запросу
3
31131-31040
Brush
Цена по
запросу
4
31361-31040
.shim set
Цена по
запросу
5
31280-26D00
Болт
1 024 ₽
6
31264-31040
O-Ring
Цена по
запросу
7
09103-06212
БОЛТ
97 ₽
8
09280-24003
КОЛЬЦО УПЛОТНИТЕЛЬНОЕ
179 ₽
9
08310-00067
Гайка
81 ₽
10
08321-01067
Шайба, стопорная
81 ₽
39
11382-45410
Cover,startmoto
Цена по
запросу
39
31100-49050
Moteur de démarreur
Цена по
запросу

Узлы для