18 - SPEEDOMETER

18 - SPEEDOMETER
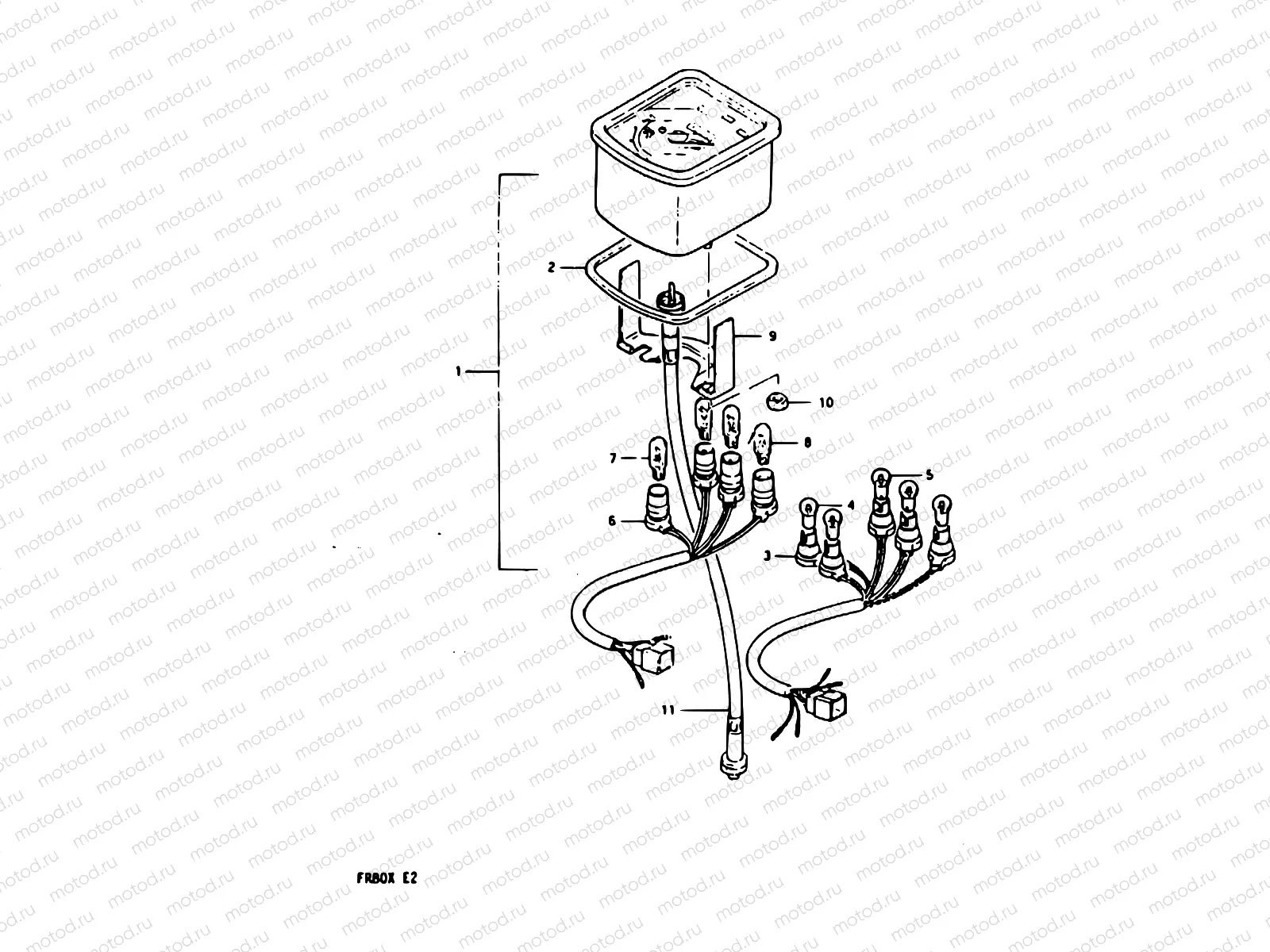
1
34100-35330
Speedometer assy (mile/kilo)
Цена по
запросу
2
34189-35600
Gasket
Цена по
запросу
3
34173-35600
.socket
Цена по
запросу
4
09471-06002-LCP
Bulb,6v/3w
Цена по
запросу
5
09471-06001-LCP
Bulb 6v25/25w
Цена по
запросу
6
34173-35601
.socket
Цена по
запросу
7
09471-06053
BULB(6V,3W)
113 ₽
8
09471-06052-LCP
Bulb
Цена по
запросу
9
34951-35012
Bracket, meter support
Цена по
запросу
10
08310-00057
Гайка
81 ₽
11
34910-06033
Cable speedometer
Цена по
запросу

Узлы для