16 - TRANSMISSION

16 - TRANSMISSION
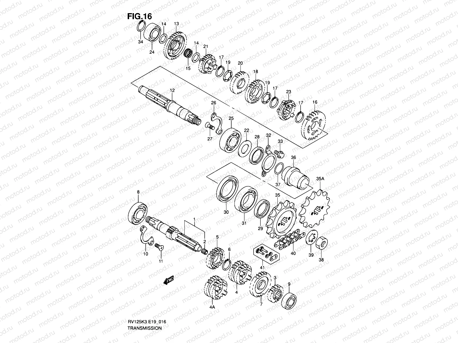
1
24120-05860
SHAFT,COUNTER(NT:11)
9 110 ₽
2
24125-38201
Втулка
272 ₽
3
24221-05202
GEAR,2ND DRIVE(NT:14)
3 871 ₽
4
24231-05220
GEAR,3RD & 4TH DRIVE
5 200 ₽
5
24251-05212
GEAR,5TH DRIVE(NT:26)
4 262 ₽
6
09380-20009
КЛИПС
1 170 ₽
7
24260-44A01
GEAR,6TH DRIVE(NT:24)
5 709 ₽
8
09262-20121
Подшипник
2 581 ₽
9
08123-60027
BEARING
1 139 ₽
10
24741-05200
RETAINER,DRIVE SHAFT BEARING
317 ₽
11
09126-06011
SCREW,6X12
81 ₽
12
24130-13G10
Shaft,drive
Цена по
запросу
13
24311-05202
GEAR,1ST DRIVEN(NT:33)
4 653 ₽
14
08211-15251
Шайба
1 250 ₽
15
09263-15023
BEARING(15X19X7.8)
1 150 ₽
16
24320-05240
GEAR,2ND DRIVEN
3 382 ₽
17
09380-20009
КЛИПС
1 170 ₽
18
24331-05203
GEAR,3RD DRIVEN(NT:26)
4 262 ₽
19
09167-20011
Пластина замка
162 ₽
20
24341-05203
GEAR,4TH DRIVEN(NT:23)
4 262 ₽
21
24351-05211
GEAR,5TH DRIVEN(NT:24)
4 301 ₽
22
24359-42A00
WASHER,OIL SEALING
227 ₽
23
24361-05211
GEAR,6TH DRIVEN(NT:20)
5 709 ₽
24
08123-6202B
Wheel bearing
Цена по
запросу
25
09262-22018
BEARING
1 258 ₽
26
24741-05200
RETAINER,DRIVE SHAFT BEARING
317 ₽
27
09126-06011
SCREW,6X12
81 ₽
28
09283-30053
Сальник
759 ₽
29
09283-30053
Сальник
759 ₽
30
09283-40018
SEAL,OIL(40X58X6)
1 615 ₽
31
08113-60067
BEARING
1 207 ₽
32
24751-42A10
RETAINER,DRIVE SHAFT OIL SEAL
227 ₽
33
01500-0610B
Болт
85 ₽
35
27510-03D02
Sprocket,engine(Nt:15)
4 888 ₽
36
27531-13G00
SPACER,ENGINE SPROCKET
3 284 ₽
37
09280-21008
КОЛЬЦО УПЛОТНИТЕЛЬНОЕ
210 ₽
38
09140-16017
Гайка
3 400 ₽
39
09167-20031
Пластина замка
1 680 ₽
40
27600-20911-134
Цепь
4 497 ₽
41
27620-20911
JOINT SET(DID428)
356 ₽

Узлы для