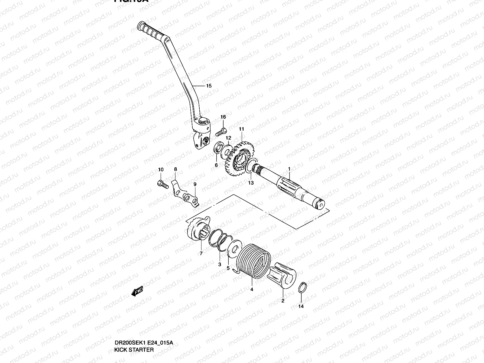
15A - KICK STARTER (MODEL K2/K3/K4/K5 E06,E24)

15A - KICK STARTER (MODEL K2/K3/K4/K5 E06,E24)
1
26211-05203
SHAFT,KICK STARTER(NT:31)
5 015 ₽
2
26221-05200
Направляющая
422 ₽
3
09440-32006
ПРУЖНА
179 ₽
4
09448-45003
Пружина
3 280 ₽
5
08211-17341
ШАЙБА ФОРСУНКИ
178 ₽
6
09285-16003
SEAL,OIL(16X24X5)
187 ₽
7
26231-38202
STARTER,KICK
2 111 ₽
8
26232-38200
GUIDE,KICK STARTER
368 ₽
9
26233-32400
STOPPER,KICK STARTER
274 ₽
10
01500-0820A
Болт
85 ₽
11
26240-42A02
Ведущая шестерня
6 061 ₽
12
09160-16003
WASHER(16X30X1)
1 720 ₽
13
09181-20139
SHIM(20X26X1)
194 ₽
14
09380-17001
CIRCLIP
162 ₽
15
26300-42A00
LEVER ASSY,KICK STARTER
9 010 ₽
16
01500-0825A
Болт
97 ₽
16
01570-0825A
БОЛТ
113 ₽

Узлы для