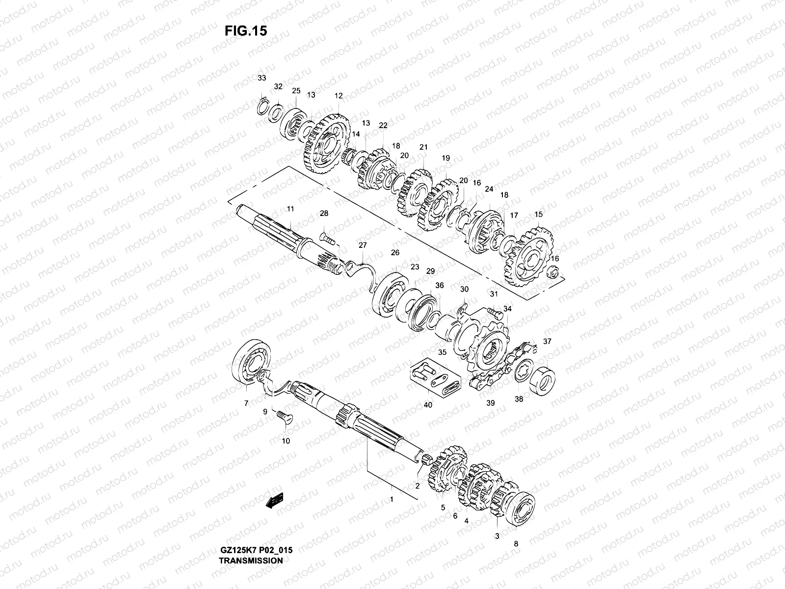
15 - TRANSMISSION

15 - TRANSMISSION
1
24120-05860
SHAFT,COUNTER(NT:11)
9 110 ₽
2
24125-38201
Втулка
272 ₽
3
24221-05301
GEAR,2ND DRIVE(NT:14)
2 933 ₽
4
24231-05220
GEAR,3RD & 4TH DRIVE
5 200 ₽
5
24251-45F00
GEAR,5TH DRIVE
3 382 ₽
6
09380-20009
КЛИПС
1 170 ₽
7
09262-20121
Подшипник
2 581 ₽
8
08123-60027
BEARING
1 139 ₽
9
24741-05200
RETAINER,DRIVE SHAFT BEARING
317 ₽
10
02122-0612B
Болт
82 ₽
11
24130-05340
SHAFT,DRIVE
12 317 ₽
12
24311-05202
GEAR,1ST DRIVEN(NT:33)
4 653 ₽
13
08211-15251
Шайба
1 250 ₽
14
09263-15023
BEARING(15X19X7.8)
1 150 ₽
15
24321-05230
GEAR,2ND DRIVEN
Цена по
запросу
16
24322-47E00
BUSH 2ND DRIVEN GEAR
Цена по
запросу
17
09181-20167
Шайба (20X28X1.0)
1 520 ₽
18
09380-20009
КЛИПС
1 170 ₽
19
24331-05203
GEAR,3RD DRIVEN(NT:26)
4 262 ₽
20
09167-20011
Пластина замка
162 ₽
21
24341-45F00
GEAR,4TH DRIVEN
3 382 ₽
22
24351-45F00
GEAR,5TH DRIVEN
3 421 ₽
23
24359-05200
WASHER,OIL SEALING
227 ₽
24
24421-05300
WHEEL,SLIDING DOG
3 206 ₽
25
09263-15024
BEARING(15X33X12)
5 044 ₽
26
09262-20121
Подшипник
2 581 ₽
27
24741-05200
RETAINER,DRIVE SHAFT BEARING
317 ₽
28
02122-0612B
Болт
82 ₽
29
09283-27010
САЛЬНИК
937 ₽
30
24751-05210
RETAINER,DRIVE SHAFT OIL SEAL
274 ₽
31
01500-0610B
Болт
85 ₽
32
09181-15111
Шайба
1 490 ₽
33
08331-3115A
CIRCLIP
97 ₽
34
27510-C4174-1J000
SPROCKET COMP. ENGINE 15T
Цена по
запросу
35
27531-12F00
Кольцо/шайба
1 447 ₽
36
09280-19005
O RING(D:2.4,ID:19)
1 170 ₽
37
09140-16017
Гайка
3 400 ₽
38
09167-20031
Пластина замка
1 680 ₽
39
27600-29B20-132
Цепь
10 596 ₽
40
27620-40220
JOINT(RK)
581 ₽

Узлы для