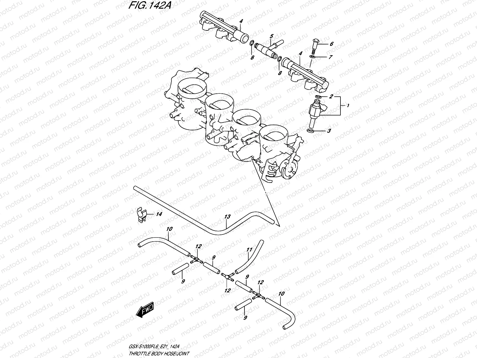
142A - THROTTLE BODY HOSE/JOINT (GSX-S1000FL6 E21)

142A - THROTTLE BODY HOSE/JOINT (GSX-S1000FL6 E21)
1
15710-04K00
INJECTOR ASSY
17 204 ₽
2
15717-58B00
Кольцо уплотнительное
581 ₽
3
15722-14J00
SEAL
692 ₽
4
13473-08J00
PIPE,DELIVERY
2 639 ₽
5
13473-04K00
NIPPLE ASSY
4 848 ₽
6
13601-29G00
Болт
207 ₽
7
13602-29G01
Packing
184 ₽
8
15721-08J00
O RING
493 ₽
9
13681-39F01-035
Hose(7.4X3.2X35)
215 ₽
10
13681-39F00-100
HOSE(7.4X3.2X100)
411 ₽
11
09355-30001-600
Hose (7.4X3.2X135)
549 ₽
12
13685-02FA0
WAY,VACUUM HOSE
355 ₽
13
13683-04K00
HOSE(7.4X3.2X350)
997 ₽
14
09408-00309
CLAMP
1 720 ₽

Узлы для