14 - CARBURETOR (GS500HK3/HUK3)

14 - CARBURETOR (GS500HK3/HUK3)
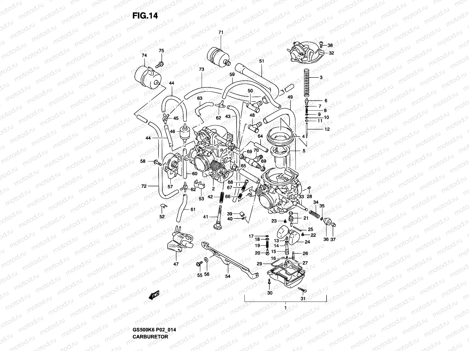
1
13201-01DF1
Carburettor (LH)
Цена по
запросу
1
13201-01DK0
Carburettor (LH)
Цена по
запросу
2
13202-01DF1
Carburettor (RH)
Цена по
запросу
2
13202-01DK0
Carburettor (RH)
Цена по
запросу
3
13573-01DB0
Пружина
938 ₽
4
13507-17C02
Diaphragm
3 460 ₽
5
13501-29FA0
Клапан поршня
4 653 ₽
5
13501-01DK0
VALVE,PISTON
6 178 ₽
6
13418-33E00
HOLDER
337 ₽
7
09280-05004
КОЛЬЦО УПЛОТНИТЕЛЬНОЕ
204 ₽
8
13481-13F00
Пружина
187 ₽
9
13382-44030
Шайба
4 110 ₽
10
13394-17E60
RING,MULTIPLE JET NOZZLE
162 ₽
11
13387-13F00
RING
425 ₽
12
13383-01DF0
Needle,jet (5DH41-3)
Цена по
запросу
12
13383-01DE0
Needle,jet (5DH41-3)
Цена по
запросу
13
09494-00949
Жиклер игольчатый
3 597 ₽
14
13246-43011
O Ring
194 ₽
15
13385-07F00
HOLDER,JET
1 951 ₽
16
09491-26016
Жиклер-проводник воздуха
989 ₽
16
09491-27008
Жиклер главный (135)
790 ₽
17
13295-29901
O-Ring, Pilot Air Screw
210 ₽
18
13291-29900
Шайба
162 ₽
19
13268-48700
Пружина
210 ₽
20
13279-33E00
Винт топливный
636 ₽
21
13370-33E81
Valve Assy,needle(Ni)
7 761 ₽
22
02112-0408B
Болт
940 ₽
23
13602-05A10
Болт
238 ₽
24
13250-04F00
Поплавок
4 039 ₽
25
13254-01010
PIN,FLOAT
162 ₽
26
09492-17016
JET,PILOT(17.5)
989 ₽
27
09491-60010
JET,MAIN(60)
989 ₽
28
09493-34003
JET,PILOT AIR(170)
931 ₽
29
13258-04F00
Прокладка
533 ₽
30
02112-04107
Болт
82 ₽
31
13247-02340
Заглушка дренажная
258 ₽
32
13502-01DB0
COVER ASSY,DIAPHRAGM,L
16 923 ₽
32
13502-01DC0
OVER ASSY,DIAPHRAGM,R
7 703 ₽
33
13411-05300
PLUNGER
2 635 ₽
34
13417-26D00
Пружина
238 ₽
35
13278-47091
O Ring
210 ₽
36
13418-44080
Держатель
867 ₽
37
13682-31210
CAP,STARTER VALVE
459 ₽
38
02112-05127
Болт
81 ₽
39
13274-84000
CAP
204 ₽
40
09401-06101
CLIP
114 ₽
41
13267-13F00
SCREW,ADJUST
845 ₽
42
13271-33C00
Пружина
238 ₽
43
09355-35007-600
Hose(3.5X7.5X600)
575 ₽
44
13683-10F61
Hose(L:425)
1 088 ₽
45
13685-04F10
Золотник
551 ₽
46
95569-78040
VALVE,CHECK
2 268 ₽
47
18115-70G10
VALVE ASSY,3WAY SOLENOID
7 155 ₽
48
13683-01DB0
HOSE
1 003 ₽
49
13683-01DE0
Hose
Цена по
запросу
50
13683-46D10
WAY
747 ₽
51
13683-01DC2
Hose
Цена по
запросу
52
09401-16401
Хомут
1 800 ₽
53
09408-00033
CLAMP
170 ₽
54
13413-01DE0
Plate
Цена по
запросу
55
02142-0408B
Винт
82 ₽
56
13557-33E00
PACKING
170 ₽
57
13550-13D61
Sensor Assy,throttle
10 710 ₽
58
13605-20C00
Болт
204 ₽
59
09355-35007-600
Hose(3.5X7.5X600)
575 ₽
60
09355-35007-600
Hose(3.5X7.5X600)
575 ₽
61
09355-35007-600
Hose(3.5X7.5X600)
575 ₽
62
09367-04007
Золотник
187 ₽
63
09355-35007-600
Hose(3.5X7.5X600)
575 ₽
64
13685-01DC0
ROD
860 ₽
65
13685-01DB0
PIPE
751 ₽
66
13268-96111
Пружина
179 ₽
67
13271-44B00
Пружина
238 ₽
68
13267-44B00
Болт
238 ₽
69
13673-44B00
Сальник
291 ₽
70
13685-33EQ0
Золотник
2 681 ₽
71
18780-32E00
FILTER,2ND AIR CLEANER
1 857 ₽
72
09355-35007-600
Hose(3.5X7.5X600)
575 ₽
73
09355-50002-00B
Hose,5x10x2000
Цена по
запросу
74
13715-04F00
Камера вакуумная
1 349 ₽
75
01550-0620B
БОЛТ
81 ₽

Узлы для