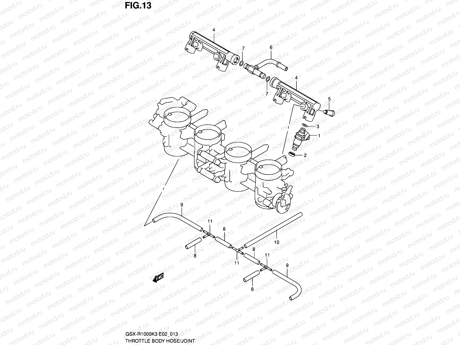
13 - THROTTLE BODY HOSE/JOINT

13 - THROTTLE BODY HOSE/JOINT
1
15710-10G00
INJECTOR ASSY
22 874 ₽/шт
2
15722-10G00
O RING
1 190 ₽/шт
3
15721-10G00
O RING
561 ₽/шт
4
13471-18G00
Pipe fuel
5
13601-35F00
Болт
501 ₽/шт
6
13473-35F01
JOINT
7 116 ₽/шт
7
15721-24F00
O-RING
468 ₽/шт
8
13697-24F01
Hose,rubber(L:35)
170 ₽/шт
9
13697-24F21
Hose,rubber(L:100)
255 ₽/шт
10
13697-35F01
Hose,rubber(3x7
11
13471-24F30
Направляющая трубки
903 ₽/шт

Узлы для