13 - THROTTLE BODY

13 - THROTTLE BODY
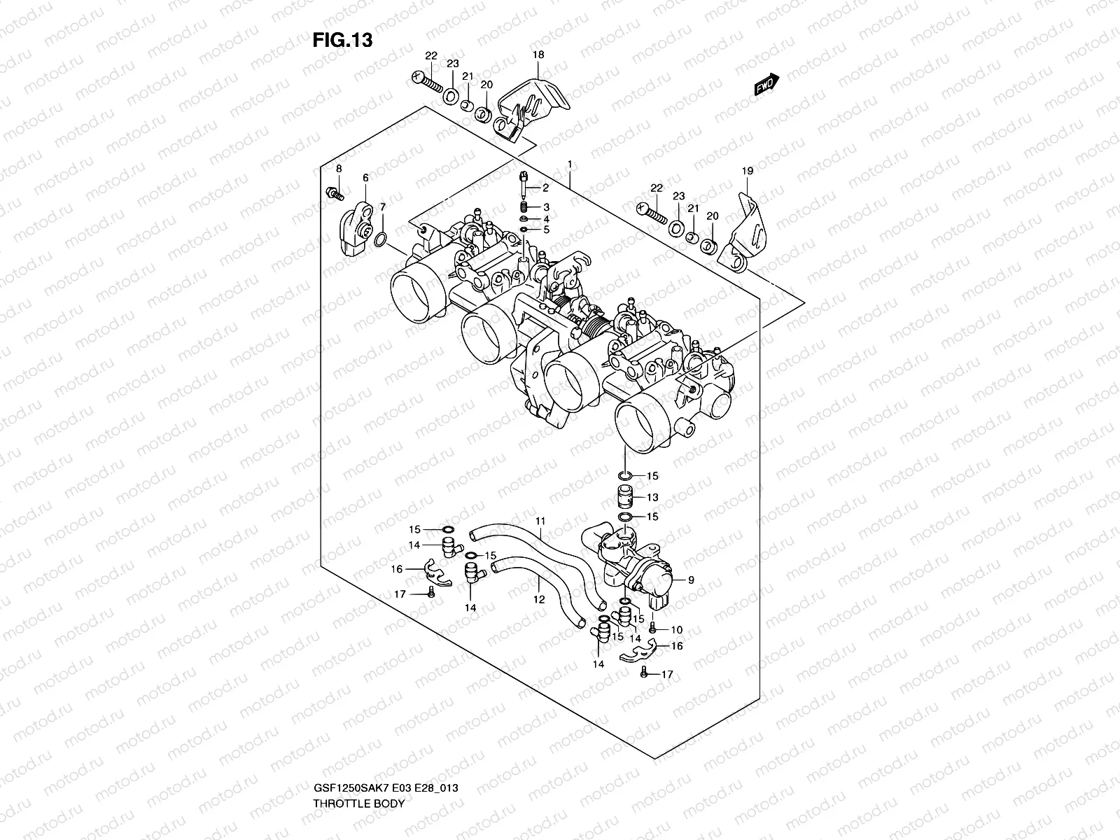
1
13405-18H01
Body assy,throt
Цена по
запросу
1
13405-18H10
Корпус дросселя
180 923 ₽
2
13269-33E00
Болт
653 ₽
3
13268-48700
Пружина
210 ₽
4
13606-47A00
Шайба
162 ₽
5
13295-29901
O-Ring, Pilot Air Screw
210 ₽
6
13580-18H00
Датчик
11 730 ₽
7
13575-29G00
O-Ring
Цена по
запросу
8
13605-02F00
Болт
170 ₽
9
18117-18H01
ACTUATOR,ISC
25 024 ₽
10
13605-18H00
Болт
203 ₽
11
13698-18H01
ose
3 988 ₽
12
13698-18H11
ose
3 988 ₽
13
13682-18H00
PIPE
493 ₽
14
13685-18H00
Золотник
602 ₽
15
13679-18H00
O RING
414 ₽
16
13691-18H00
PLATE
414 ₽
17
02112-0408B
Болт
940 ₽
18
13431-18H00
COVER,FUEL INJECTOR
6 021 ₽
19
13432-18H00
COVER,FUEL INJECTOR
6 021 ₽
20
13663-42F10
HOLDER
387 ₽
21
13485-42F10
RING
387 ₽
22
13602-18H00
Болт
227 ₽
23
13606-42F10
Шайба
184 ₽

Узлы для