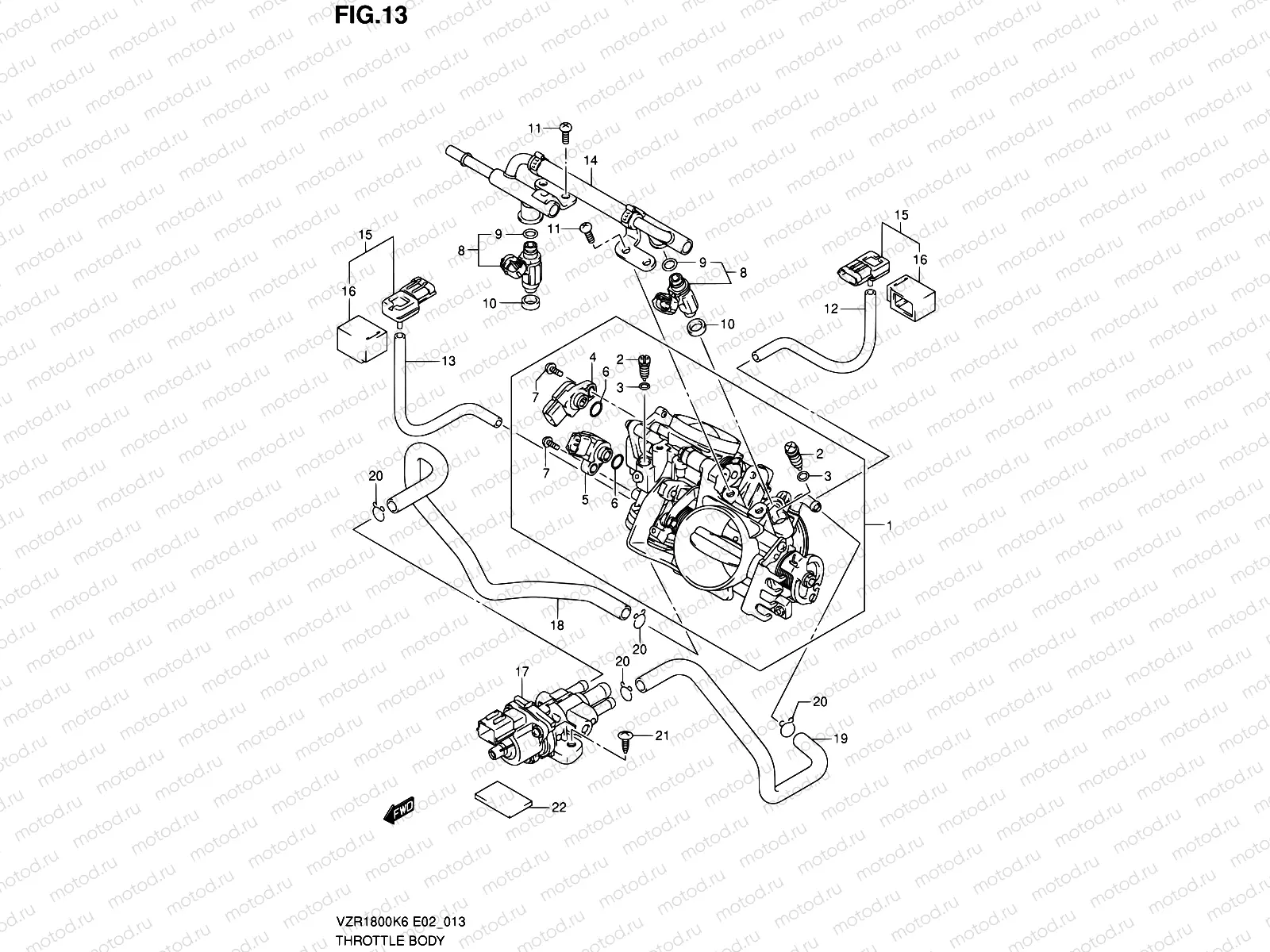
КОРПУС ДРОССЕЛЬНОЙ ЗАСЛОНКИ для VZR1800U2 K8 Intruder M1800R / Boulevard M109R SUZUKI

13 - THROTTLE BODY
1
13405-48G00
Body,throttle
Цена по
запросу
1
13405-48G21
Body assy,throt
Цена по
запросу
2
13269-48G00
Регулятор
469 ₽
3
13521-29FA0
O RING
188 ₽
4
13580-29G00
Датчик
7 348 ₽
5
13580-48G00
Датчик
10 285 ₽
6
13575-29G00
O-Ring
Цена по
запросу
7
13605-02F00
Болт
170 ₽
8
15710-48G00
INJECTOR ASSY
13 808 ₽
9
15717-16G00
Кольцо уплотнительное
581 ₽
10
15722-29G00
САЛЬНИК
459 ₽
11
13602-06148
Болт
180 ₽
12
Цена по
запросу
13
2 151 ₽
14
15730-48G01
PIPE ASSY,DELIVERY
18 533 ₽
15
15630-29G10
Сенсор прессуры
14 623 ₽
16
15625-29G00
COVER
680 ₽
17
18117-48G00
VALVE,ISC
20 919 ₽
18
13697-48G01
Hose,isc valve,
Цена по
запросу
19
13698-48G01
Hose,isc Valve,l
954 ₽
20
274 ₽
21
03111-0625A
Болт
82 ₽
22
44831-17B00
CUSHION,OIL TANK UPR
340 ₽

Узлы для