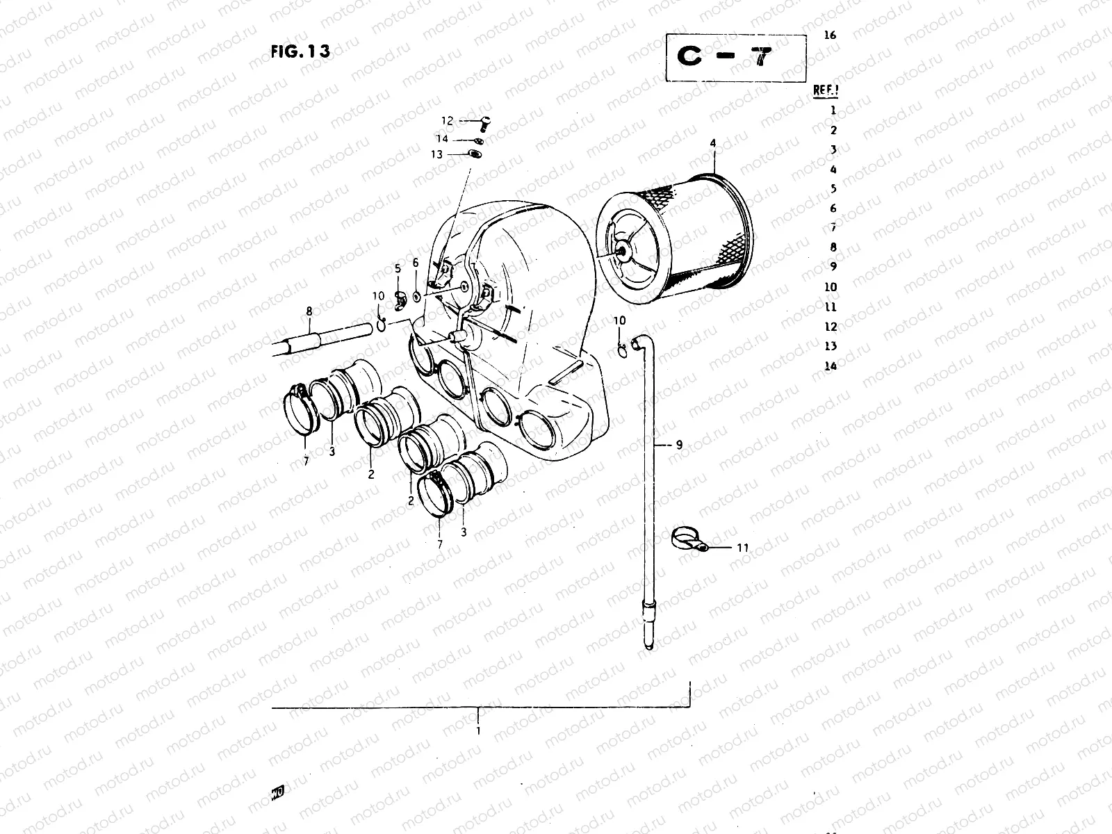
13 - AIR CLEANER

13 - AIR CLEANER
1
13700-27A01
Cleaner assy, air
Цена по
запросу
2
13881-27A01
Tube,outlet No.1
1 337 ₽
3
13882-27A01
Tube,outlet No.2
1 427 ₽
4
13780-27A00
Filter assy
Цена по
запросу
5
08317-1205A
Гайка
1 250 ₽
6
08322-0105B
Шайба
81 ₽
7
09402-56901
Хомут
255 ₽
8
13850-27A00
.tube, breather
Цена по
запросу
9
13870-21459
Tube,drain
1 373 ₽
10
09401-14301
ХОМУТ МАЛЫЙ
226 ₽
11
13879-27A01
Clamp, drain tube
Цена по
запросу
12
02112-06207
ШАЙБА
85 ₽
13
09160-06019
Шайба
81 ₽
14
08321-01067
Шайба, стопорная
81 ₽

Узлы для