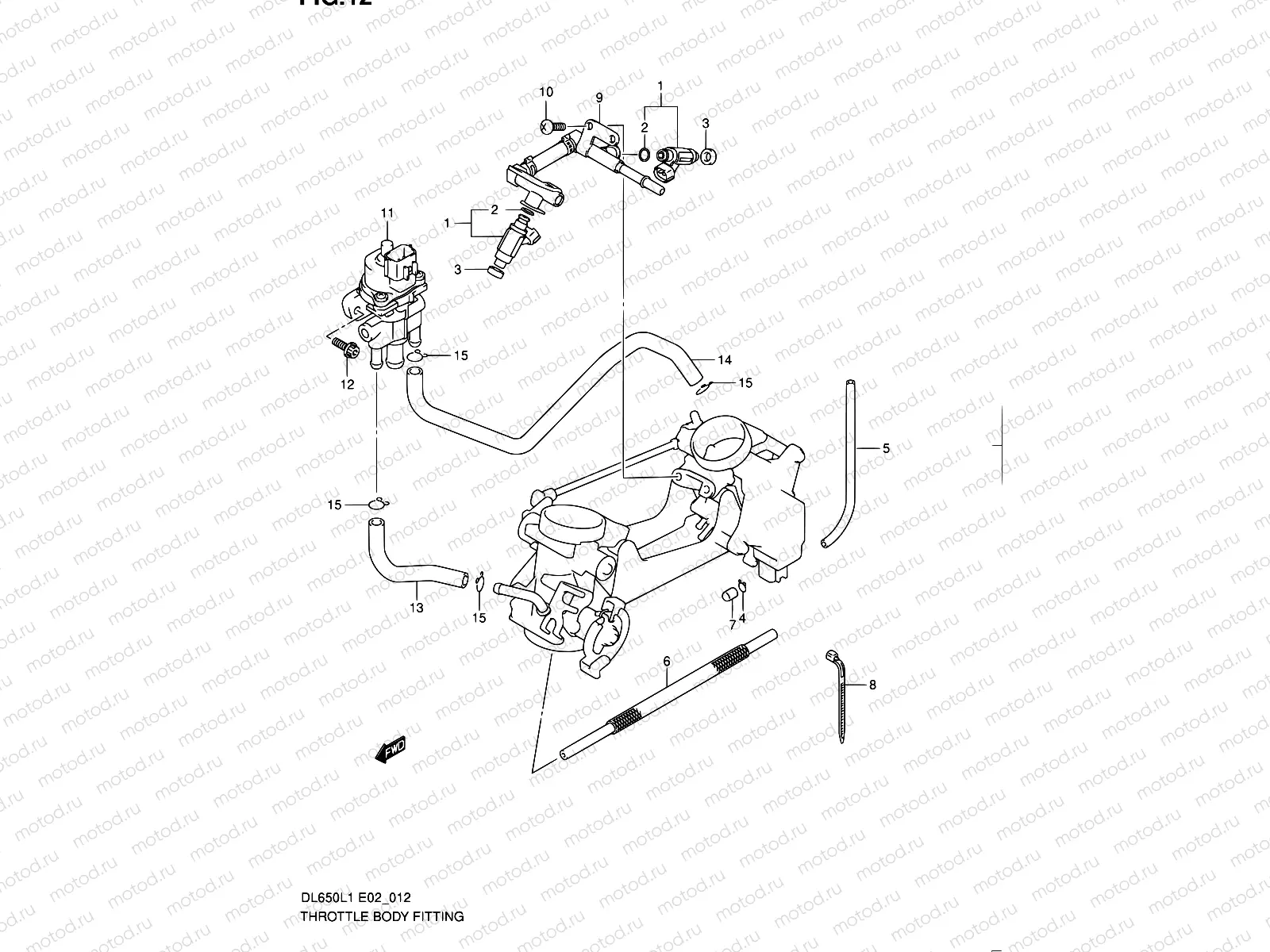
12 - THROTTLE BODY FITTING

12 - THROTTLE BODY FITTING
1
15710-27G00
INJECTOR ASSY
25 670 ₽
2
15717-16G00
Кольцо уплотнительное
581 ₽
3
15722-29G00
САЛЬНИК
459 ₽
4
09401-06101
CLIP
114 ₽
5
13683-16G31
Hose
Цена по
запросу
6
13683-27G21
Hose
3 617 ₽
7
13274-84000
CAP
204 ₽
8
13671-02F00
CLIP
227 ₽
9
15730-17G01
DELIVERY PIPE ASSY
24 633 ₽
10
13602-06128
Болт
180 ₽
11
18117-27G00
VALVE,ISC
28 747 ₽
12
07120-0616A
Болт
1 520 ₽
13
13697-27G00
HOSE,ISC VALVE FR
692 ₽
14
13698-27G00
HOSE,ISC VALVE RR
1 361 ₽
15
09401-11101
Хомут
114 ₽

Узлы для