12 - THROTTLE BODY

12 - THROTTLE BODY
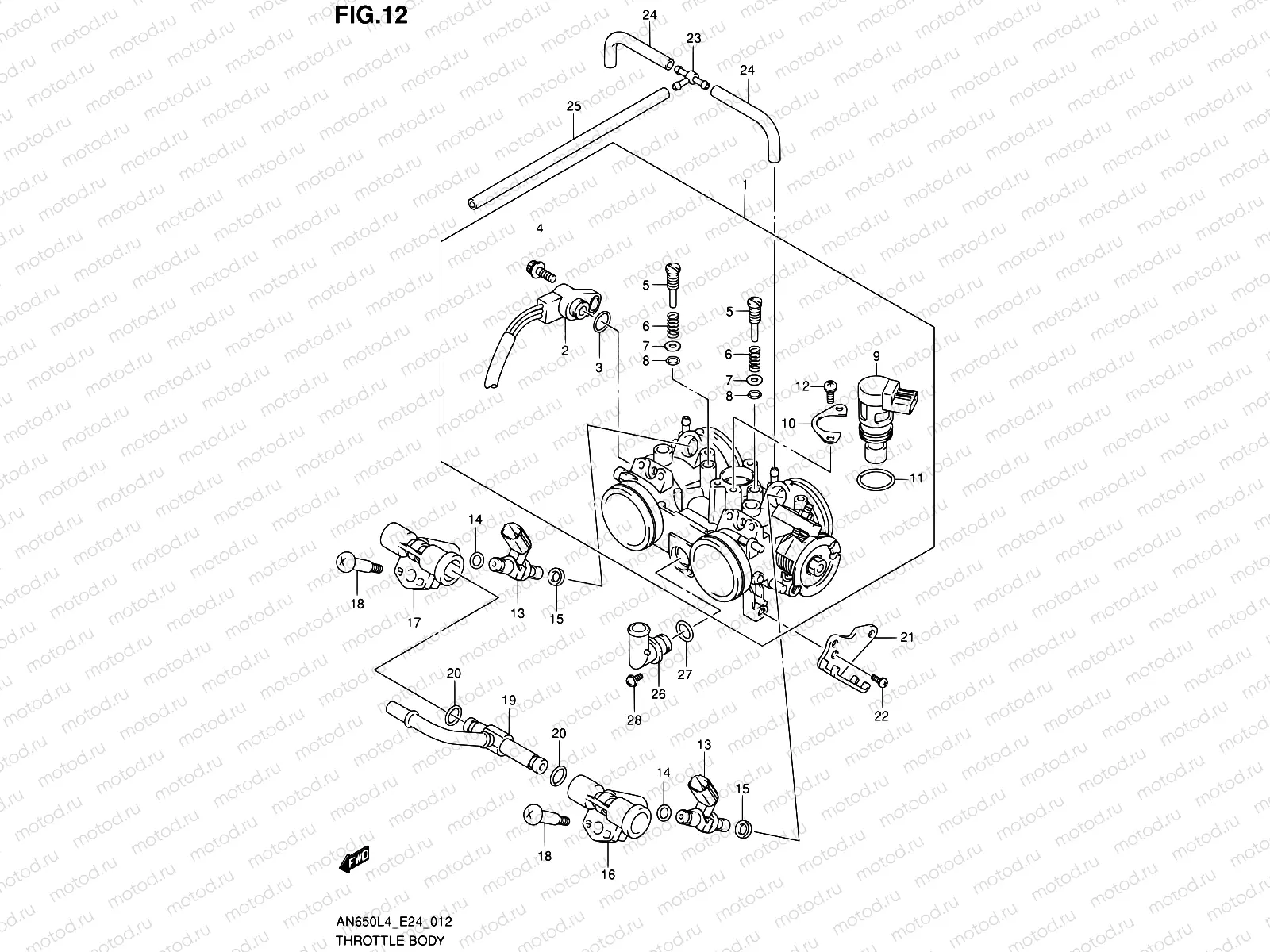
1
13406-26J00
BODY ASSY,THROTTLE
70 686 ₽
2
13580-40F21
SENSOR ASSY,THROTTLE NO.1
30 427 ₽
3
13575-40F00
O RING
162 ₽
4
13605-40F00
Болт
227 ₽
5
13269-18G00
SCREW,AIR ADJUST
594 ₽
6
13271-C43E0-0J000
Spring
7
13291-26E00
Шайба
170 ₽
8
13295-26E00
O RING
187 ₽
9
18117-15H12
VALVE ASSY,ISC
23 418 ₽
10
13428-15H00
PLATE,ISC VALVE
1 650 ₽
11
18119-05H00
O RING
203 ₽
12
13605-15H00
Болт
356 ₽
13
15710-26J00
INJECTOR ASSY
18 924 ₽
14
15721-26J00
O RING
575 ₽
15
15722-21H00
RING,SEAL
510 ₽
16
13471-26J00
OINT
1 951 ₽
17
13471-26J10
OINT
1 951 ₽
18
13601-35F00
Болт
501 ₽
19
13473-10G00
Труба топливная
5 904 ₽
20
15721-24F00
O-RING
468 ₽
21
13565-10G20
PLATE
2 581 ₽
22
13601-10G00
Болт
203 ₽
23
13471-24F30
Направляющая трубки
903 ₽
24
13683-10G01
Hose
25
13683-10G10
HOSE(3X7X220)
653 ₽
26
13455-10G00
JOINT
1 716 ₽
27
13278-10G10
O RING
227 ₽
28
13602-10G00
Болт
203 ₽

Узлы для