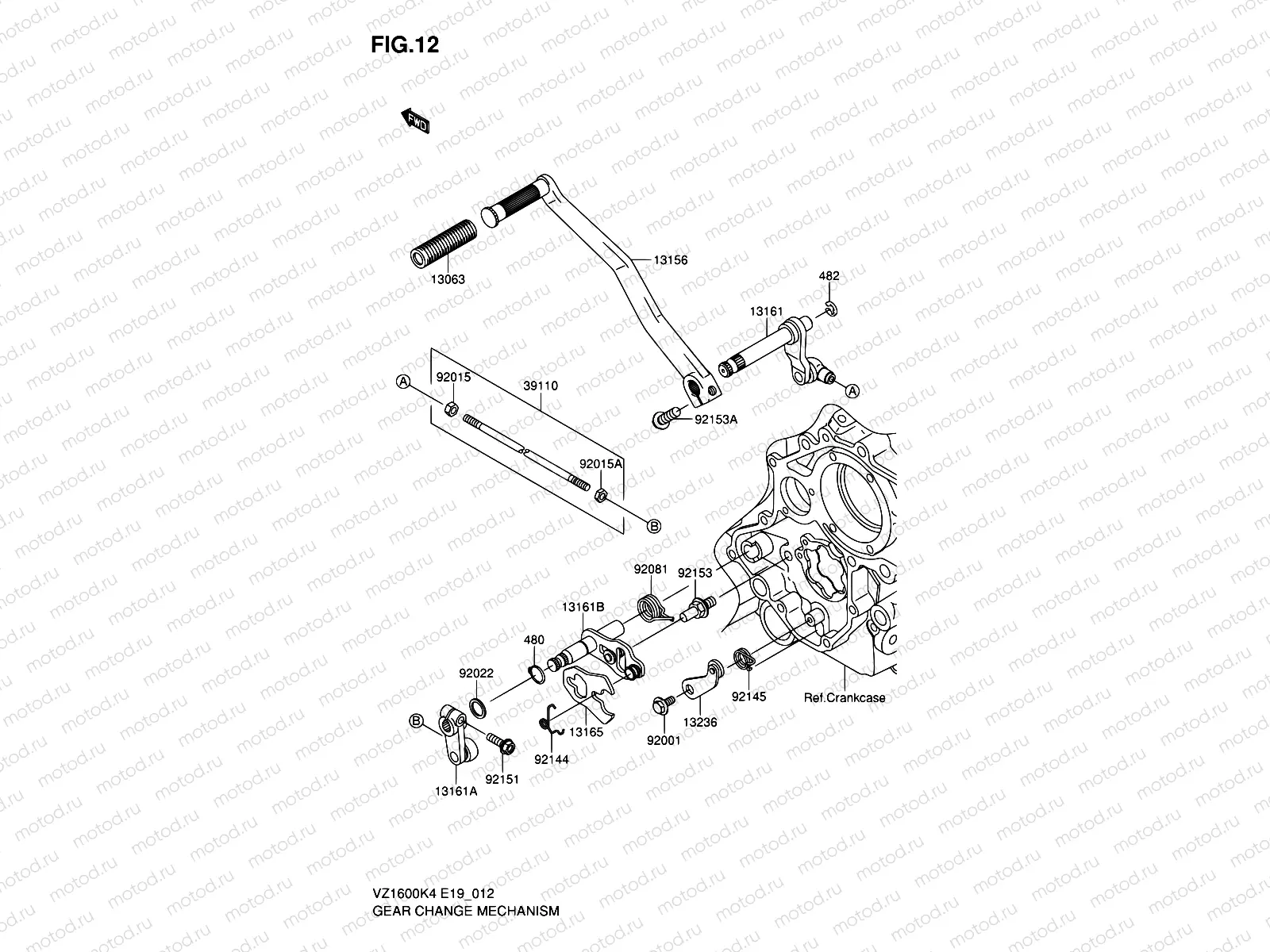
12 - GEAR CHANGE MECHANISM

12 - GEAR CHANGE MECHANISM
480
KK480-J1300
Circlip-type-c,
Цена по
запросу
482
KK482-L0100
CIRCLIP-TYPE-E,10MM
Цена по
запросу
13063
KK130-63002
Демпфер педали
4 380 ₽
13156
K1315-60013
Рукоятка
8 485 ₽
13161
K1316-10006
Shift shaft assy
Цена по
запросу
13161
K1316-11253
Shift shaft assy
Цена по
запросу
13161
K1316-11254
Shift shaft assy
Цена по
запросу
13165
K1316-51120
Pawl
Цена по
запросу
13236
K1323-61126
Lever-comp,posi
Цена по
запросу
39110
K3911-01119
Штанга регулятор
1 134 ₽
92001
K9200-11715
Bolt,gear chang
Цена по
запросу
92015
09140-06011
Гайка
820 ₽
92015
08310-00067
Гайка
81 ₽
92022
K9202-21224
Washer,13.2x20x
Цена по
запросу
92081
K9208-11869
Spring,change p
Цена по
запросу
92144
K9214-41029
Spring
Цена по
запросу
92145
K9214-50008
Spring,return
Цена по
запросу
92151
K9215-11226
Болт 6X20
180 ₽
92153
K9215-30421
Bolt,return spr
Цена по
запросу
92153
K9215-31268
Vis (8x25)
Цена по
запросу

Узлы для