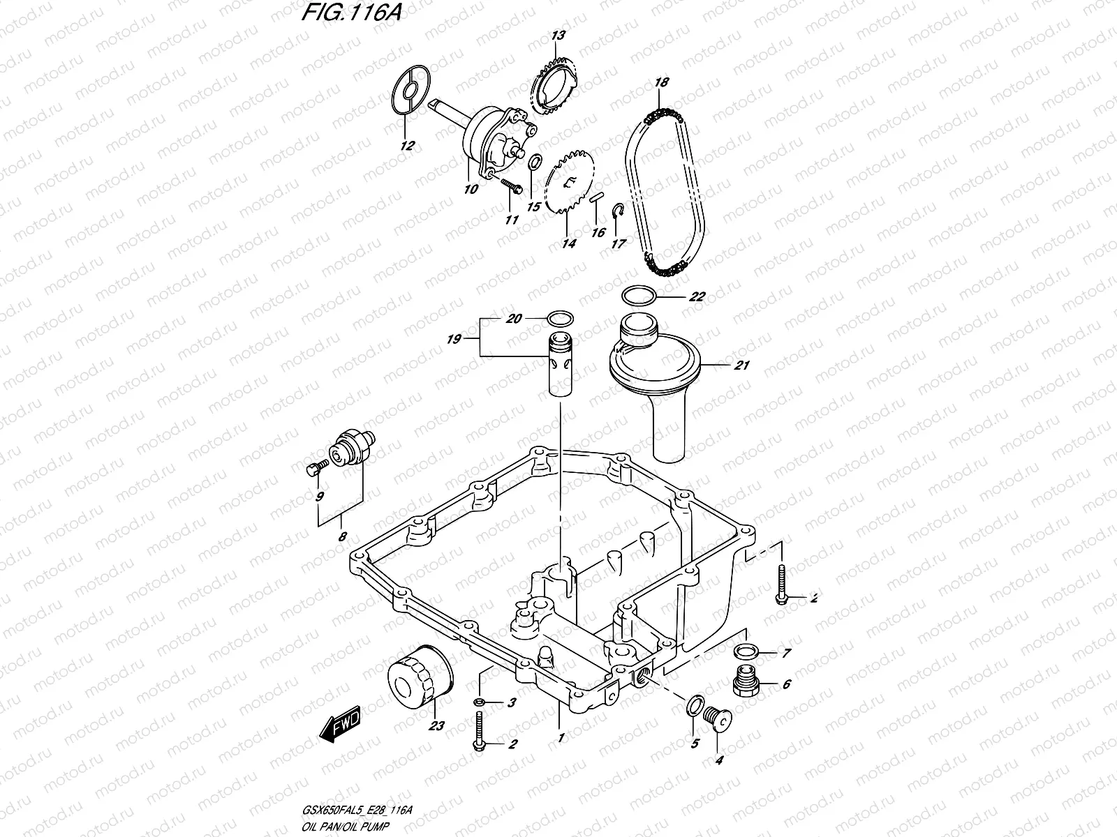
116A - OIL PAN/OIL PUMP

116A - OIL PAN/OIL PUMP
1
11511-18H10
Поддон маслянный
19 081 ₽/шт
2
01547-0625B
БОЛТ
97 ₽/шт
3
09168-06023
ПРОКЛАДКА
162 ₽/шт
4
09248-12004
ШЛАНГ
3 950 ₽/шт
5
09168-12002
Прокладка
81 ₽/шт
6
09247-14036
Заглушка масляного дренажа
210 ₽/шт
7
09168-14004
Прокладка
129 ₽/шт
8
37820-33D10
Датчик давления масла
4 764 ₽/шт
9
37822-33D00
BOLT,OIL PRESSURE SWITCH
339 ₽/шт
10
16400-18H00
Насос масляный
14 037 ₽/шт
11
01547-0620A
Болт
81 ₽/шт
12
16491-33E00
O RING,OIL PUMP
663 ₽/шт
13
16321-01H00
SPROCKET,OIL PUMP DRIVE
5 236 ₽/шт
14
16331-18H00
SPROCKET,OIL PUMP DRIVEN
6 452 ₽/шт
15
09181-10158
Шайба
1 210 ₽/шт
16
09261-04009
Стопор
231 ₽/шт
17
08331-31109
КЛИПСА
102 ₽/шт
18
16310-18H00
Цепь масляного насоса
1 799 ₽/шт
19
16440-24F00
Клапан
3 655 ₽/шт
20
09280-13004
КОЛЬЦО УПЛОТНИТЕЛЬНОЕ, РЕЗИНА
178 ₽/шт
21
16520-18H01
STRAINER ASSY,ENGINE OIL
2 209 ₽/шт
22
09280-25004
КОЛЬЦО УПЛОТНИТЕЛЬНОЕ
162 ₽/шт
23
16510-07J00
ФИЛЬТР МАСЛЯНЫЙ
1 777 ₽/шт

Узлы для