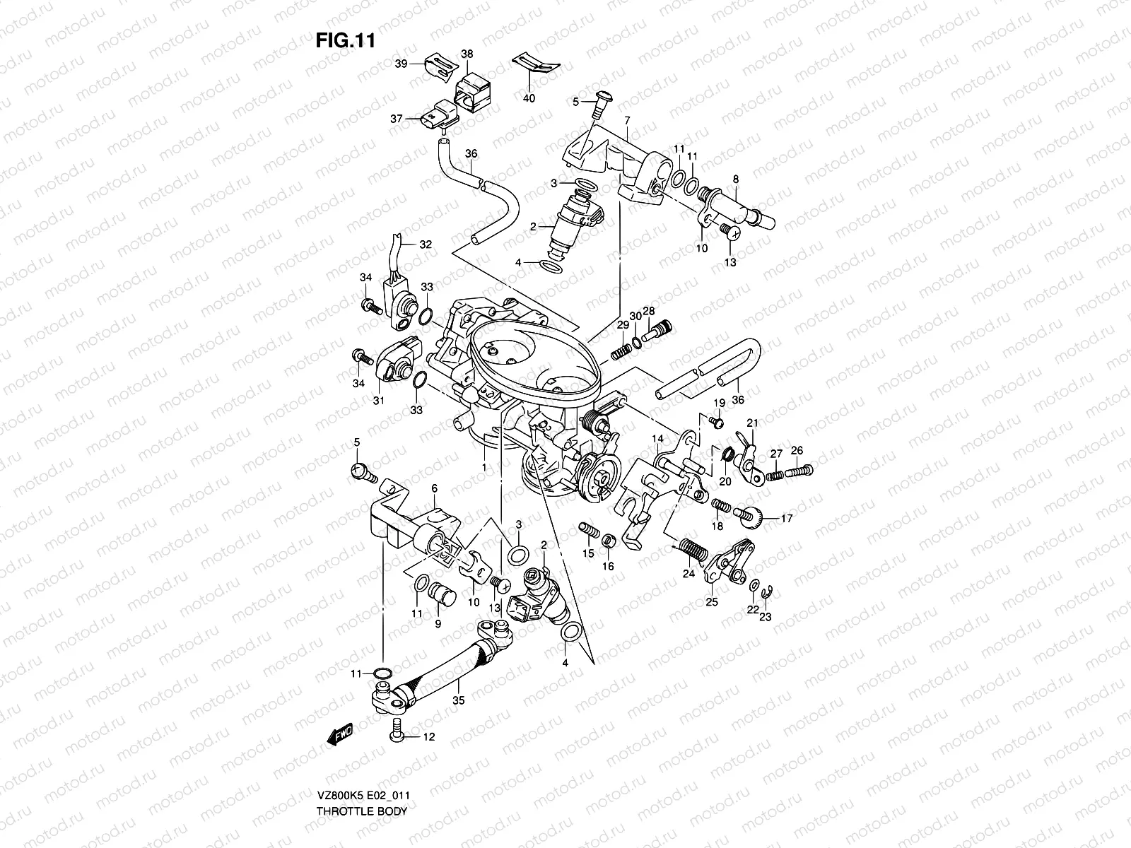
11 - THROTTLE BODY (MODEL K5/K6/K7/K8)

11 - THROTTLE BODY (MODEL K5/K6/K7/K8)
1
13401-41F01
Throttle body k
Цена по
запросу
2
15710-14G00
INJECTOR ASSY
26 860 ₽
3
15721-10G00
O RING
561 ₽
4
15722-10G00
O RING
1 190 ₽
5
13602-34F50
Винт
188 ₽
6
13471-10F00
PIPE,FUEL
2 737 ₽
7
13471-10F10
PIPE,FUEL
5 355 ₽
8
13473-41F00
JOINT
8 133 ₽
9
13476-10F00
Plug
Цена по
запросу
10
13428-10F00
Plate
Цена по
запросу
11
15721-24F00
O-RING
468 ₽
12
13602-10F00
Vis
Цена по
запросу
13
13602-10F10
Болт
184 ₽
14
13565-41F00
Plate comp,stay
Цена по
запросу
15
13267-10G00
Болт
735 ₽
16
13661-10G00
Гайка
219 ₽
17
13605-10F00
SCREW,IDLE
1 826 ₽
18
13268-35F00
Пружина
321 ₽
19
13601-10G00
Болт
203 ₽
20
13426-35F10
Spring
Цена по
запросу
21
13414-40F00
Link lever
Цена по
запросу
22
13427-35F10
Шайба
278 ₽
23
13424-35F10
E CLIP
250 ₽
24
13426-40F00
Spring
Цена по
запросу
25
13420-40F20
Lever link
Цена по
запросу
26
13602-10F20
Винт
246 ₽
27
13543-24F00
Пружина
348 ₽
28
13279-10G00
Винт настройки
594 ₽
29
13271-10G00
Пружина
239 ₽
30
13295-10G00
O RING
203 ₽
31
13580-40F21
SENSOR ASSY,THROTTLE NO.1
30 427 ₽
32
13580-41F01
SENSOR ASSY,THROTTLE SUB
11 314 ₽
33
13575-40F00
O RING
162 ₽
34
13605-40F00
Болт
227 ₽
35
13680-10F00
PIPE ASSY,FUEL
7 625 ₽
36
13683-41FA0
HOSE
1 173 ₽
37
18591-42F00
Сенсор прессуры
29 912 ₽
38
18595-42F20
HOLDER,SENSOR
1 169 ₽
39
18598-41F00
BRACKET,BOOST SENSOR FR
258 ₽
40
18599-39G00
BRACKET,BOOST SENSOR RR
258 ₽

Узлы для