11 - THROTTLE BODY

11 - THROTTLE BODY
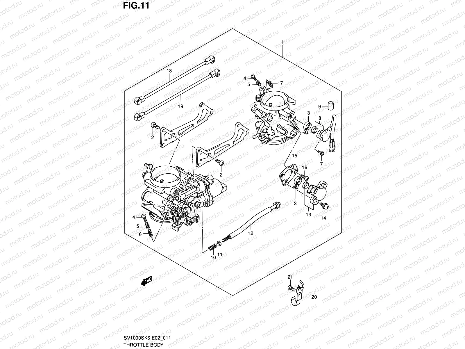
1
13405-16G31
Цена по
запросу
2
13602-06128
Болт
180 ₽
3
13311-06G00
RING
465 ₽
4
13548-42F00
Болт
274 ₽
5
13271-44B00
Пружина
238 ₽
6
13268-96111
Пружина
179 ₽
7
13605-39F00
Болт
305 ₽
8
13580-16G01
Sensor assy
Цена по
запросу
9
13683-39F10
Hose
Цена по
запросу
10
13271-93011
Пружина
204 ₽
11
13386-09410
WASHER
172 ₽
12
13270-06G00
SCREW ASSY,ADJUST
6 061 ₽
13
13550-13D61
Sensor Assy,throttle
10 710 ₽
14
13605-02F00
Болт
170 ₽
15
13627-16G30
PLATE
1 415 ₽
16
02112-04107
Болт
82 ₽
17
13268-89J00
Пружина
375 ₽
18
13552-17G00
ROD ASSY
2 465 ₽
19
13552-16G00
ROD ASSY
2 465 ₽
20
13279-16G10
Plate,idle adju
Цена по
запросу
21
01500-0612B
Болт
1 210 ₽

Узлы для