11 - THROTTLE BODY

11 - THROTTLE BODY
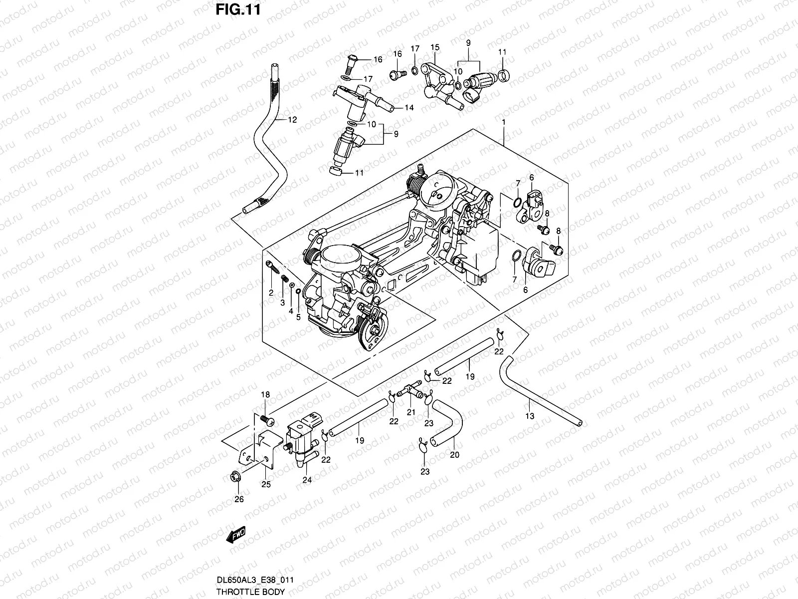
1
13405-11J10-000
Дроссель
99 484 ₽
2
13269-33E00
Болт
653 ₽
3
13268-48700
Пружина
210 ₽
4
13606-47A00
Шайба
162 ₽
5
13295-29901
O-Ring, Pilot Air Screw
210 ₽
6
13580-27G21
Датчик
7 348 ₽
7
13575-29G00
O-Ring
Цена по
запросу
8
13605-02F00
Болт
170 ₽
9
15710-44H00
INJECTOR ASSY
19 550 ₽
10
15717-58B00
Кольцо уплотнительное
581 ₽
11
15722-29G00
САЛЬНИК
459 ₽
12
13683-44H00
OSE
2 581 ₽
13
13683-44H11
ose
Цена по
запросу
14
15731-11J00
Подающая труба
9 423 ₽
15
15732-11J00
Подающая труба
9 423 ₽
16
13601-11J00
SCREW
301 ₽
17
13602-29G01
Packing
184 ₽
18
13602-06128
Болт
180 ₽
19
13681-06G40
HOSE
1 353 ₽
20
13683-44H30
OSE
1 670 ₽
21
13685-04F10
Золотник
551 ₽
22
09401-06101
CLIP
114 ₽
23
09401-10401
CLIP
900 ₽
24
18117-52G10
КЛАПАН ЭЛЕКТРОМАГНИТНЫЙ
8 094 ₽
25
18119-44H00
BRACKET
1 048 ₽
26
08316-1006A
Гайка
85 ₽

Узлы для