11 - THROTTLE BODY

11 - THROTTLE BODY
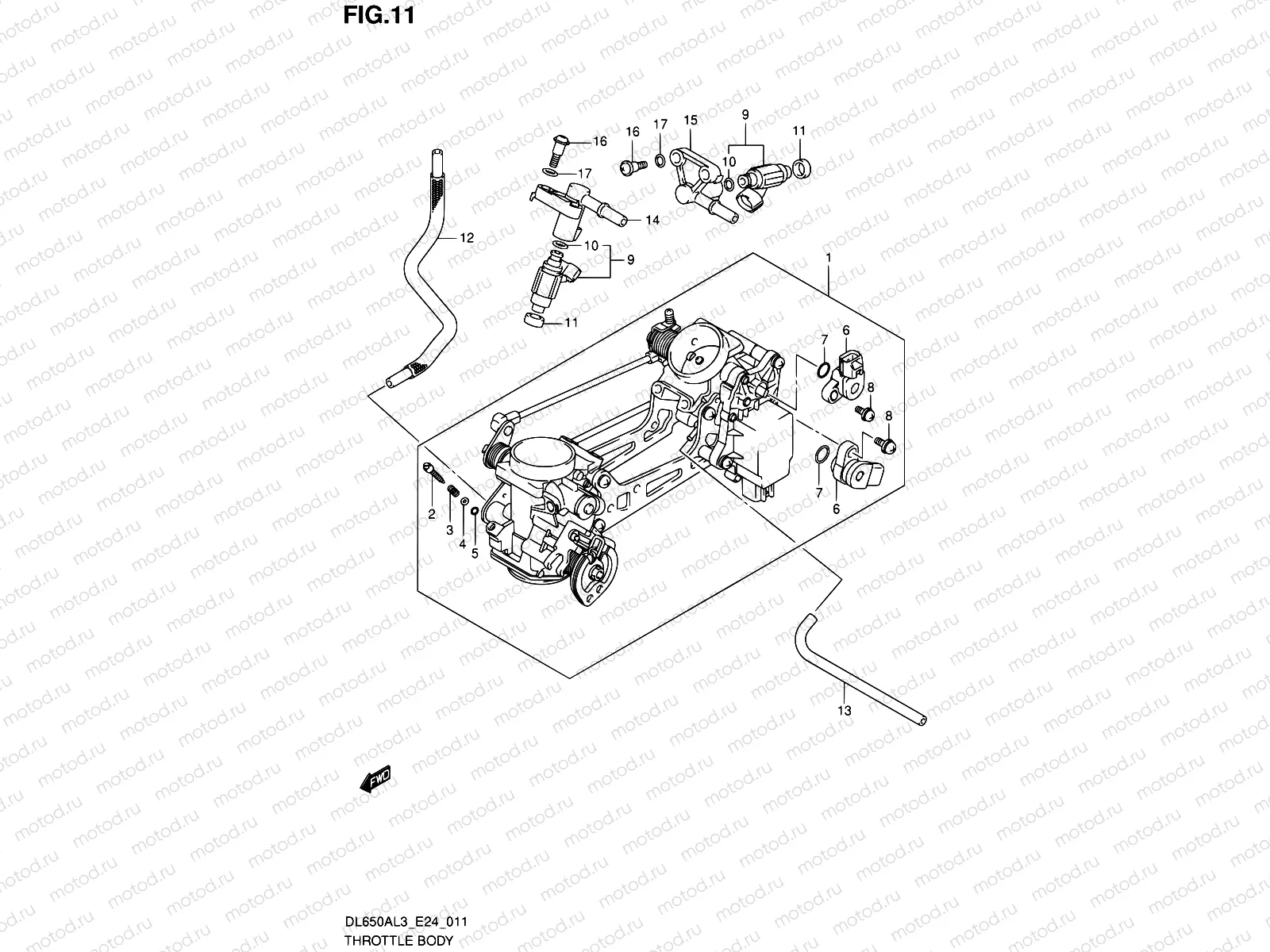
1
13405-11J01
Body assy,throt
2
13269-33E00
Болт
653 ₽
3
13268-48700
Пружина
210 ₽
4
13606-47A00
Шайба
162 ₽
5
13295-29901
O-Ring, Pilot Air Screw
210 ₽
6
13580-27G21
Датчик
7 348 ₽
7
13575-29G00
O-Ring
8
13605-02F00
Болт
170 ₽
9
15710-44H00
INJECTOR ASSY
19 550 ₽
10
15717-58B00
Кольцо уплотнительное
581 ₽
11
15722-29G00
САЛЬНИК
459 ₽
12
13683-44H00
OSE
2 581 ₽
13
13683-44H11
ose
14
15731-11J00
Подающая труба
9 423 ₽
15
15732-11J00
Подающая труба
9 423 ₽
16
13601-11J00
SCREW
301 ₽
17
13602-29G01
Packing
184 ₽

Узлы для