10A - THROTTLE BODY (RM-Z450L1)

10A - THROTTLE BODY (RM-Z450L1)
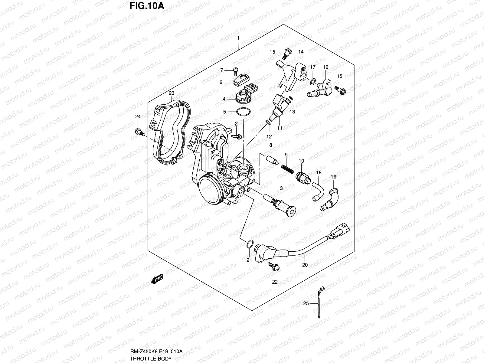
1
13041-28H31
BODY ASSY,THROTTLE
54 230 ₽
2
13296-10H00
Болт
1 799 ₽
3
13410-28H00
Втулка
5 279 ₽
4
15620-05H00
Сенсор
11 305 ₽
5
15621-05H00
O RING
805 ₽
6
13565-28H00
PLATE,STAY
1 325 ₽
7
13601-15F20
Болт
184 ₽
8
13411-28H00
Втулка
2 190 ₽
9
13271-45G00-000
Пружина
387 ₽
10
13581-45G00
Держатель кабеля
144 ₽
11
15710-02J00
INJECTOR ASSY
18 924 ₽
12
15722-21H00
RING,SEAL
510 ₽
13
15721-21H00
КОЛЬЦО УПЛОТНИТЕЛЬНОЕ
306 ₽
14
13471-28H00
Труба топливная
3 382 ₽
15
13452-28H00
Болт
383 ₽
16
13685-28H00
JOINT
2 268 ₽
17
15721-24F00
O-RING
468 ₽
18
13579-28H00
Направляющая кабеля
731 ₽
19
13681-45G00
CAP
297 ₽
20
13580-28H11
SENSOR ASSY,THROTTLE
17 170 ₽
21
13575-40F00
O RING
162 ₽
22
13605-28H00
Болт
184 ₽
23
13484-28H00
COVER
2 014 ₽
24
13601-28H00
SCREW
207 ₽
25
09407-14403
КЛЕММА
221 ₽

Узлы для