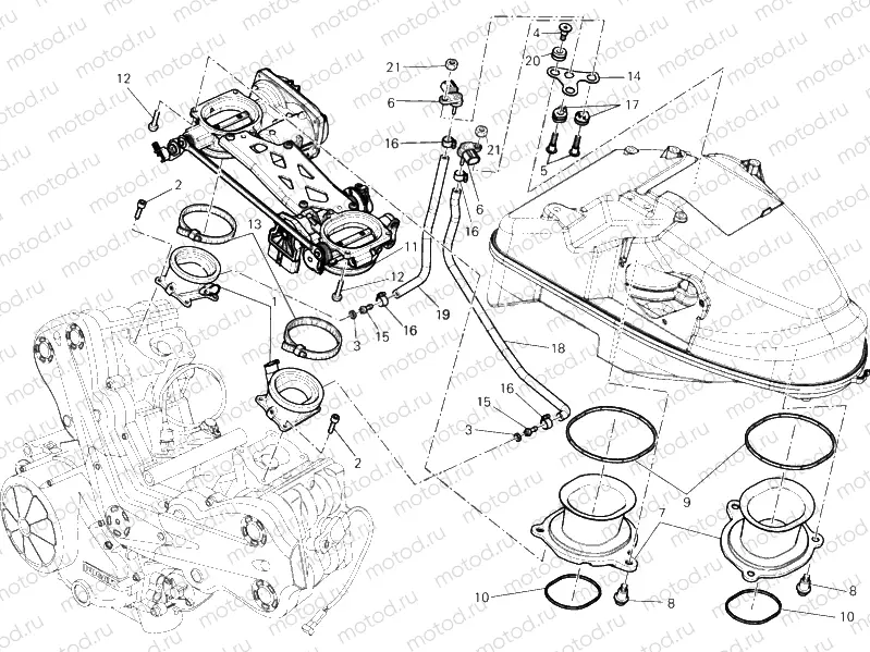
017 - THROTTLE BODY (1) » INTAKE, CARBURETTOR

017 - THROTTLE BODY (1) » INTAKE, CARBURETTOR
1
14010662A
Pipe d’admission
2
77112331A
Vis
3
85250231A
Rondelle
4
77917141A
Vis (spec)
5
77917131A
Vis
6
55241571A
SENSOR, PRESSURE
7
13510352B
AIR FUNNEL
8
77214411AA
Vis
9
78810962A
. GASKET AIR FUNNEL
10
78810971A
Gasket
11
28240871A
COMPLETE THROTTLE BODY
12
77510171C
10 pc - Vis (M5x16)
13
74141871A
Collier
14
83016951A
BRACKET
15
81413341A
UNION
16
74141711A
Collier (10-7 mm)
17
76411611A
Damper
18
59013641C
.PIPE
19
59013651C
.PIPE
20
76410291A
5 pc - Damper
21
75050061B
Nut

Узлы для