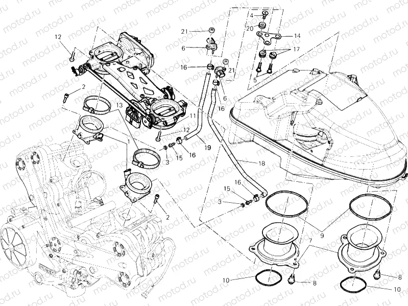
017 - THROTTLE BODY (1) » INTAKE, CARBURETTOR

017 - THROTTLE BODY (1) » INTAKE, CARBURETTOR
1
14010662A
Pipe d’admission
Цена по
запросу
2
77112331A
Vis
Цена по
запросу
3
85250231A
Rondelle
Цена по
запросу
4
77917141A
Vis (spec)
Цена по
запросу
5
77917131A
Vis
Цена по
запросу
6
55241571A
SENSOR, PRESSURE
Цена по
запросу
7
13510352B
AIR FUNNEL
Цена по
запросу
8
77214411AA
Vis
Цена по
запросу
9
78810962A
. GASKET AIR FUNNEL
Цена по
запросу
10
78810971A
Gasket
Цена по
запросу
11
28240871A
COMPLETE THROTTLE BODY
Цена по
запросу
12
77510171C
pc - Vis (M5x16)
Цена по
запросу
13
74141871A
Collier
Цена по
запросу
14
83016951A
BRACKET
Цена по
запросу
15
81413341A
UNION
Цена по
запросу
16
74141711A
Collier (10-7 mm)
Цена по
запросу
17
76411611A
Damper
Цена по
запросу
18
59013641C
.PIPE
Цена по
запросу
19
59013651C
.PIPE
Цена по
запросу
20
76410291A
5 pc - Damper
Цена по
запросу
21
75050061B
Nut
Цена по
запросу

Узлы для