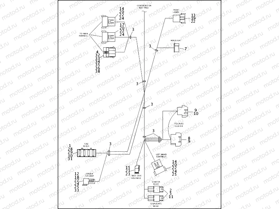
WIRING HARNESS, INTERCONNECT - 1994 FLHTP WINDSHIELD (1 OF 2)

WIRING HARNESS, INTERCONNECT - 1994 FLHTP WINDSHIELD (1 OF 2)
0
WIRING HARNESS, interconnect
1
72347-94
Fusible (15A)
2
9937
TERMINAL .25 FASTON 18-14GA
3
10065
CABLE STRAP
4
CLIP, metal connector
5
31504-91C
STL1994 STARTER RELAY
6
68563-04A
Relais clignotant
7
CONNECTOR, headlamp w/ wires
8
CONNECTOR, 8 pin
9
72039-71A
PIN TERMINAL
10
CONNECTOR, 6 pin
11
72046-79
SOCKET HOUSING
12
72103-94BK
SEALED PIN HOUSING, BLACK, 3-P
13
72108-94BK
SEALED PIN HOUSING, BLACK, 8-P
14
72109-94BK
SEALED PIN HOUSING, BLACK, 12
15
72112-94BK
SEALED SOCKET HOUSING, BLACK,
16
72128-94GY
SEALED PIN HOUSING, GREY, 8-PI
17
72129-94GY
SEALED PIN HOUSING, GRAY, 12-P
18
72143-94
SECONDARY LOCK, 3 PIN
19
72148-94
SECONDARY LOCK, 8 PIN
20
72149-94
SECONDARY LOCK, 12 PIN
21
72152-94
2-SOCKET SECONDARY LOCK
22
72190-94
STAMPED & FORMED PIN
23
72191-94
STAMPED AND FORMED SOCKET
24
72195-94
SEAL PIN,4-WAY RECEPTACLE

Узлы для