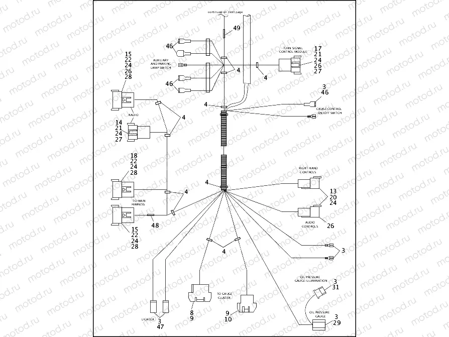
WIRING HARNESS, INTERCONNECT - 1994 FLHT (1 OF 2)

WIRING HARNESS, INTERCONNECT - 1994 FLHT (1 OF 2)
0
WIRING HARNESS, interconnect
1
72347-94
Fusible (15A)
2
9898
TERMINAL, FLAG
3
9937
TERMINAL .25 FASTON 18-14GA
4
10065
CABLE STRAP
5
CLIP, metal connector
6
31504-91C
STL1994 STARTER RELAY
7
68634-86
HEADLAMP CONNECTOR
8
CONNECTOR, eight pin
9
72039-71A
PIN TERMINAL
10
CONNECTOR, 6 pin
11
72046-79
SOCKET HOUSING
12
72103-94BK
SEALED PIN HOUSING, BLACK, 3-P
13
72106-94BK
SEALED PIN HOUSING, BLACK, 6-P
14
72108-94BK
SEALED PIN HOUSING, BLACK, 8-P
15
72109-94BK
SEALED PIN HOUSING, BLACK, 12-
16
72112-94BK
SEALED SOCKET HOUSING, BLACK,
17
72128-94GY
SEALED PIN HOUSING, GREY, 8-PI
18
72129-94GY
SEALED PIN HOUSING, GRAY, 12-P
19
72143-94
SECONDARY LOCK, 3 PIN
20
72146-94
SECONDARY LOCK, 6 PIN
21
72148-94
SECONDARY LOCK, 8 PIN
22
72149-94
SECONDARY LOCK, 12 PIN
23
72152-94
SOCKET SECONDARY LOCK
24
72190-94
STAMPED & FORMED PIN
25
72191-94
STAMPED AND FORMED SOCKET
26
72195-94
SEAL PIN,4-WAY RECEPTACLE
27
ATTACHMENT CLIP, 8-way
28
72199-94
CONNECTOR ANCHOR,T-STUD
29
72200-94A
HOUSING,3-WAY SOCKET
30
72340-94
PLUGIN FUSE, 10 AMP
31
CONNECTOR, 2-way
32
72205-94
CONNECTOR, 4 POSITION MALE
33
72208-94
MALE TERMINAL, 12 GA

Узлы для