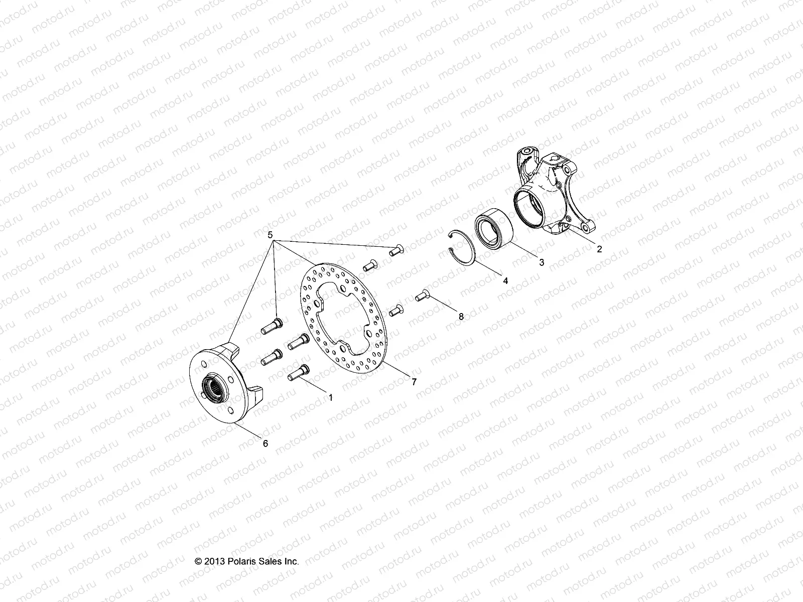
SUSPENSION | SUSPENSION, FRONT HUBS, DISKS and KNUCKLES - L16G2D/4/6 ALL OPTIONS (49GEMSUSP14HUB)

SUSPENSION | SUSPENSION, FRONT HUBS, DISKS and KNUCKLES - L16G2D/4/6 ALL OPTIONS (49GEMSUSP14HUB)
1
7519753
STUD-WHEEL M12-1.5
Цена по
запросу
2
5139989
CARRIER-BEARING FRONT MACH RH
Цена по
запросу
2
5139988
CARRIER-BEARING FRONT MACH LH
Цена по
запросу
3
3514699
BEARING-BALL SEALED 44X72X33.1
Цена по
запросу
4
7710780
RING-RETAINING 2.835 INTERNAL
Цена по
запросу
5
1019266
ASM-WHEEL HUB W/STUDS
Цена по
запросу
6
5138250
HUB-WHEEL MACH
Цена по
запросу
7
5262267
Disque de frein
Цена по
запросу
8
7518978
SCR-M10X1.5X20 8.8 TXCS FL ZOD
Цена по
запросу

Узлы для