Signalling light - ULO

Signalling light - ULO
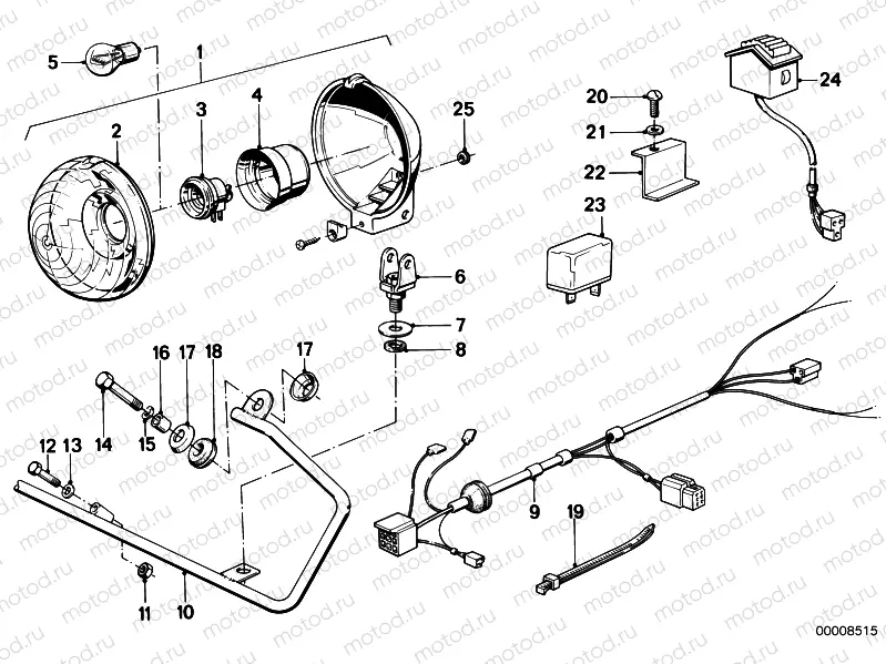
1
63171244342
SIGNALLING LIGHT,BLUE
Цена по
запросу
1
63171244343
SIGNALLING LIGHT,RED
Цена по
запросу
2
63171244346
Lens red
Цена по
запросу
2
63171244345
Lens blue
Цена по
запросу
3
63171244348
Bulb socket
Цена по
запросу
4
63171244349
 Protection cap
Цена по
запросу
5
07119978055
BULB
Цена по
запросу
6
63171244351
Bow
Цена по
запросу
7
07119906063
Rondelle
Цена по
запросу
8
61311353795
RUBBER WASHER
Цена по
запросу
9
61121244357
 Wiring horn scale officials light loe
Цена по
запросу
9
61121244369
 Wiring siren/official signal light
Цена по
запросу
9
61121244355
 Wiring official signal light
Цена по
запросу
19
61131367599
Cable tie
Цена по
запросу
19
61131377134
Cable tie
Цена по
запросу
20
07119907786
Vis
Цена по
запросу
21
07119904206
Rondelle
Цена по
запросу
21
07119936439
Rondelle
Цена по
запросу
21
07119904206
Rondelle
Цена по
запросу
22
61131242756
 Shackle
Цена по
запросу
23
63171352854
Relais clignotant
Цена по
запросу
24
61311243454
ADDITIONAL SWITCH
Цена по
запросу
25
61131244360
 Grommet
Цена по
запросу

Узлы для