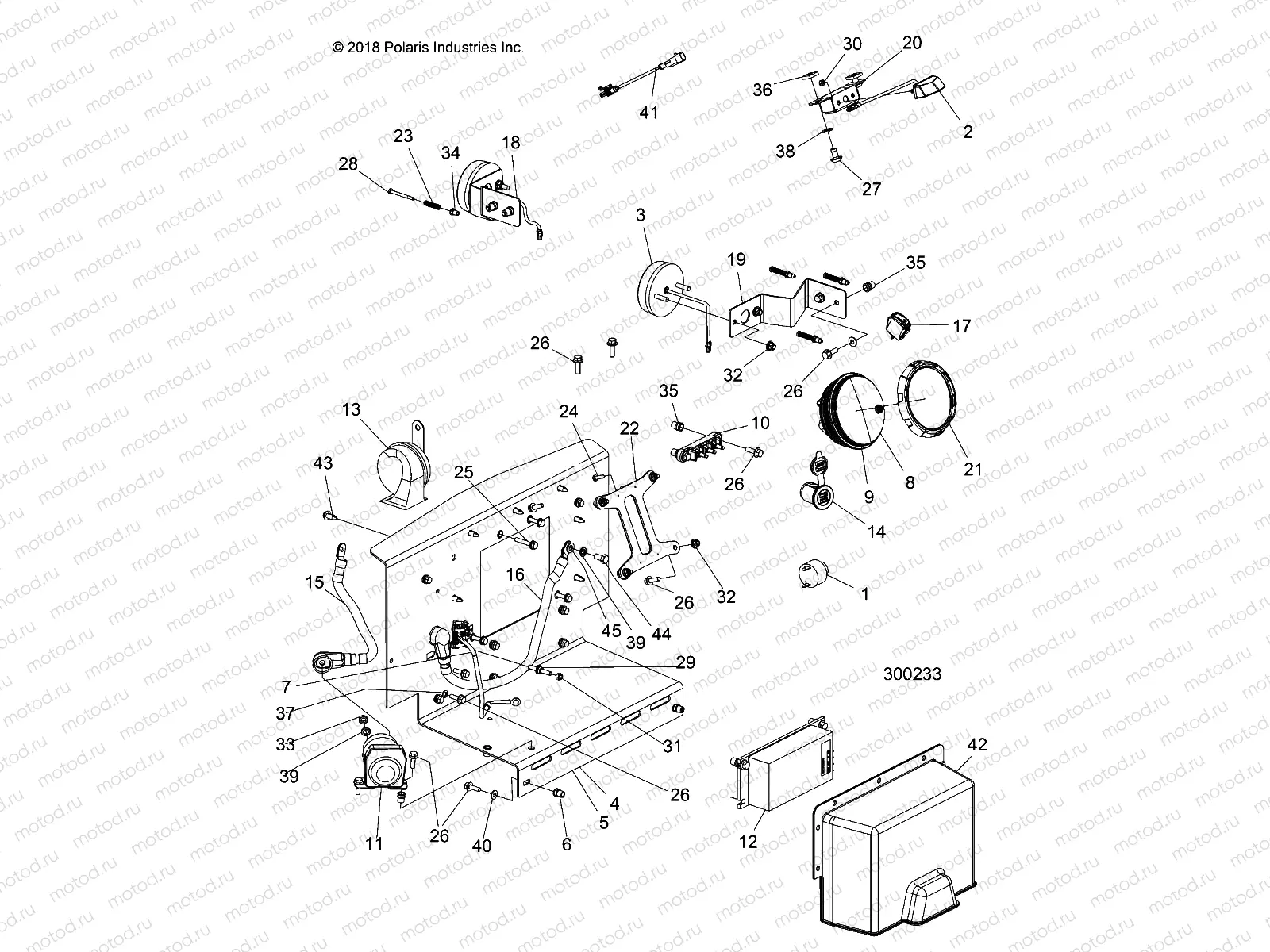
ELECTRICAL | ELECTRICAL, FRONT - L18G2/4/6

ELECTRICAL | ELECTRICAL, FRONT - L18G2/4/6
1
4016261
ALARM-REVERSE WARNING
Цена по
запросу
2
2412682
LAMP-LICENSE PLATE EU/US
Цена по
запросу
3
2413673
ASM-LIGHT TURN LED
Цена по
запросу
4
2414408
ASM-MOUNT ELECTRICAL
Цена по
запросу
5
5265833
BRKT-MOUNT,ELECTRICAL
Цена по
запросу
7
2413204
ASM-HARNESS CONTACTOR BTRY
Цена по
запросу
8
3280696
ASM-SPEEDOMETER CPIA3 EV
Цена по
запросу
9
5412138
MOUNT-RUBBER INSTR. CLUSTER
Цена по
запросу
10
4011892
BLOCK-TERMINAL 3 POST
Цена по
запросу
11
4012818
ASM-CONTACTOR 48V TROMBETTA
Цена по
запросу
12
4013453
CONVERTOR-48VDC/12VDC SVCN
Цена по
запросу
12
4015999
CONVERTOR-48VDC/12VDC 500W
Цена по
запросу
12
2413415
ASM-HARNESS DC/DC JUMPER
Цена по
запросу
13
4013817
HORN ECE
Цена по
запросу
14
4015350
PORT-USB DUAL
Цена по
запросу
15
4015490
CABLE CONTROLLER CONTACTOR
Цена по
запросу
15
4016687
CABLE-CNTRL CONTACTOR FERRITE
Цена по
запросу
16
4015491
CABLE CONTROLLER BMC
Цена по
запросу
16
4016689
FILTER-LINE EMI
Цена по
запросу
16
4016688
CABLE-CNTRL BMC FERRITE
Цена по
запросу
16
7512027
Vis
Цена по
запросу
16
7518287
NUT-#10-24 NYLOK INSERT
Цена по
запросу
17
4015779
SWITCH-LIGHT INTERIOR
Цена по
запросу
18
5261162
BRKT-LIGHT TURN LH
Цена по
запросу
19
5261163
BRKT-LIGHT TURN RH
Цена по
запросу
20
5263766-626
BRKT-LIGHT INTERIOR BLK
Цена по
запросу
21
5438945
BEZEL-INSTRUMENT CLUSTER
Цена по
запросу
22
5450605-070
MNT-ECU BLK
Цена по
запросу
23
7043872
SPRING-CMPRSN .17IDX1.00 SS
Цена по
запросу
24
7512026
Vis
Цена по
запросу
25
7516827
Vis
Цена по
запросу
26
7518613
BOLT-M6X1.0X20 HXFLG OLIVE D
Цена по
запросу
27
7520391
SCR-TXTH-M8X1.25X15 8.8ZB3 P80
Цена по
запросу
28
7519256
SCR-PHPHD-M4X0.7X42 4.8 ZB
Цена по
запросу
29
7520934
STUD-M6X1.0X19X19
Цена по
запросу
30
7546601
NUT NYLOK
Цена по
запросу
31
7546703
Nut (SELF-LOCKING)
Цена по
запросу
32
7547339
NUT-M6X1.0 FLG-NYLOC-OLIVE D
Цена по
запросу
33
7547469
NUT-HEX JAM 5/16-24 GR2 STL ZC
Цена по
запросу
34
7547749
NUT-RIVNUT M4X0.7
Цена по
запросу
35
7547789
NUT-RIVNUT M6X1.00
Цена по
запросу
36
7547792
NUT-SQR M8X1.25 ZPC
Цена по
запросу
37
7552801
Rondelle (Lock)
Цена по
запросу
38
7556305
WSHR-FL 8.4X1.6X16
Цена по
запросу
39
7556528
WSHR-8.5X14.8X1.9 ZPC
Цена по
запросу
40
7558203
Rondelle
Цена по
запросу
41
2414335
HARNESS-MOTOR TEMP EXTENSION
Цена по
запросу
42
5454928
COVER-CONTROLLER
Цена по
запросу
43
7661855
RIVET-TUFLOK .315-.325X.787 (5
Цена по
запросу
44
7519611
BLT-M8X1.25X16HX G8.8ZNC
Цена по
запросу
45
7556725
WASHER-M8
Цена по
запросу

Узлы для