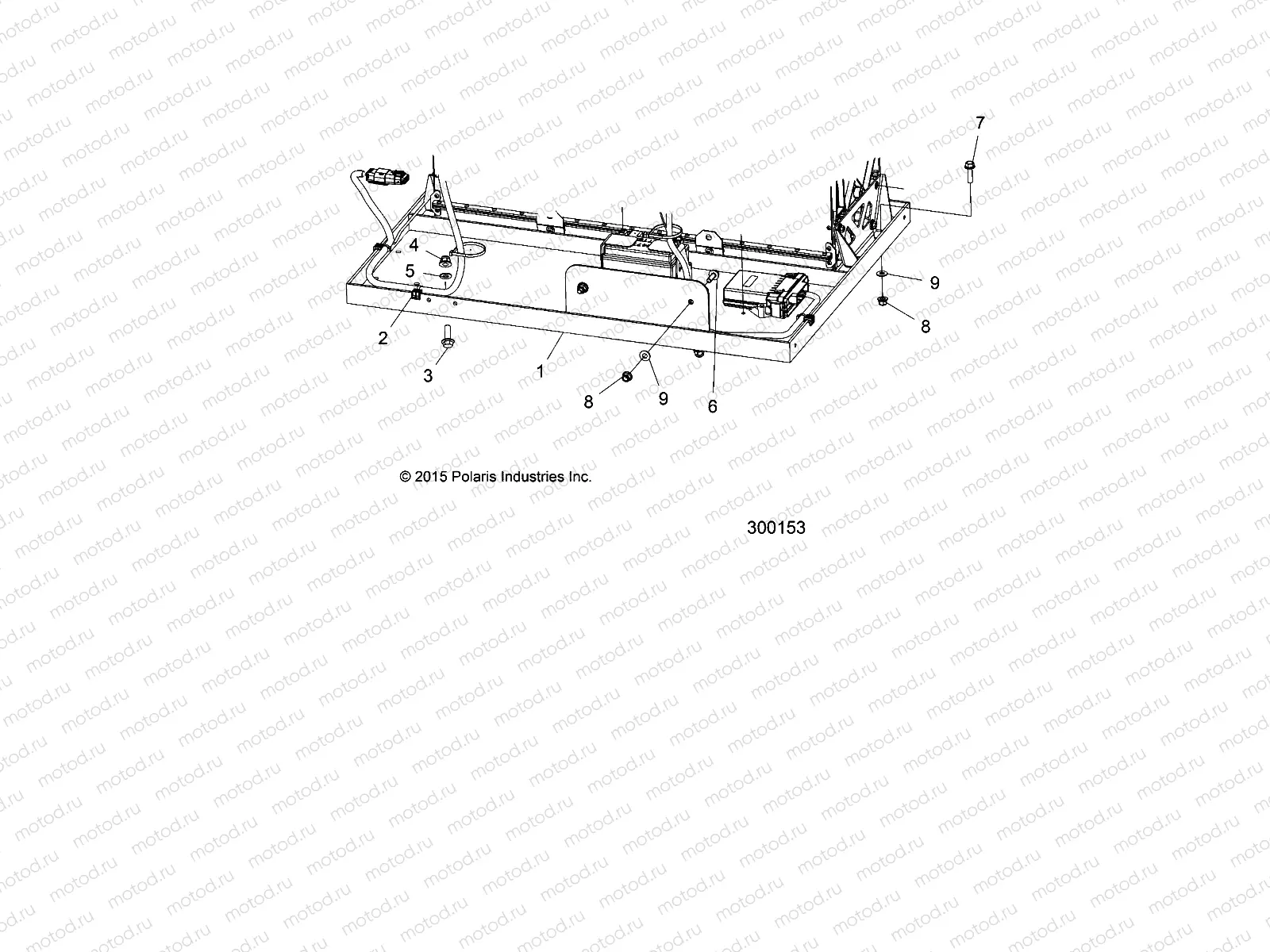
ELECTRICAL | ELECTRICAL, BATTERY TRAY, LI-ION, 8.9KW AND 12KW - L18G2/4/6 ALL OPTIONS

ELECTRICAL | ELECTRICAL, BATTERY TRAY, LI-ION, 8.9KW AND 12KW - L18G2/4/6 ALL OPTIONS
1
1022302
WELD-TRAY BTRY LI
Цена по
запросу
2
7081876
CLIP-EDGE SIDE W/STRAP
Цена по
запросу
3
7519059
SCR-HXFL-M10X1.25X30 8.8 ZOD
Цена по
запросу
4
7547333
NUT-M10X1.25 FLG NYLOC-OLIVE D
Цена по
запросу
5
7556153
WASHER 3/8 FW
Цена по
запросу
6
7518514
BOLT-M8X1.25X25 HXFLG-OLIVE D
Цена по
запросу
7
7518884
SCR-HEXFLG M8X30 ZPB 0600086
Цена по
запросу
8
7547332
NUT-M8X1.25 FLG NYLOC-OLIVE D
Цена по
запросу
9
7555954
Rondelle
Цена по
запросу

Узлы для