Battery, authorities

Battery, authorities
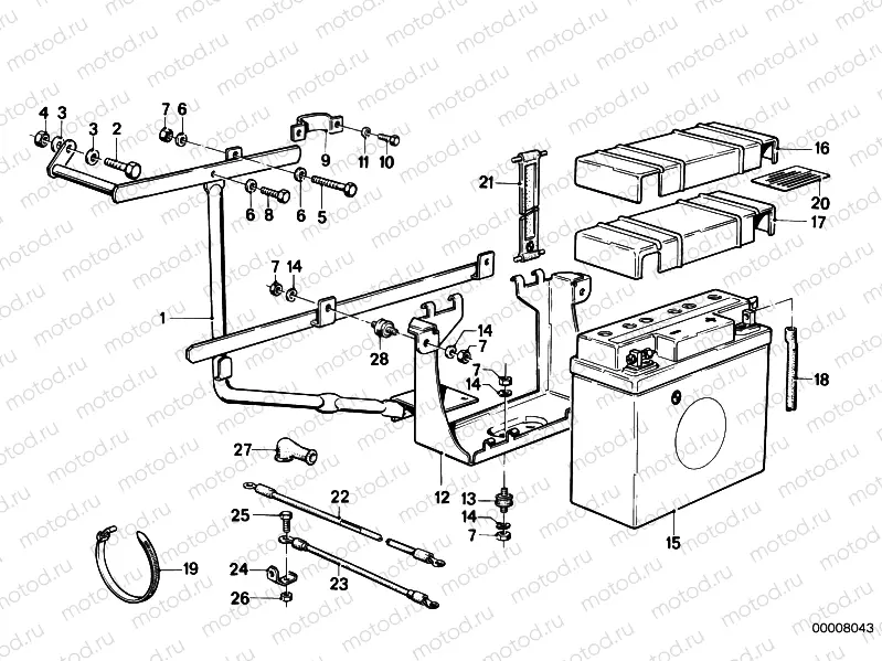
1
61211244262
 Holder
2
07119906181
Vis
3
07149180923
Rondelle
4
07129906196
Mère (Self-locking)
4
07129906196
Mère (Self-locking)
4
07129906196
Mère (Self-locking)
5
07119902976
Vis
5
07119902976
Vis
5
07119902976
Vis
6
07119904202
Rondelle
6
07119904202
Rondelle
6
07119904202
Rondelle
7
07119905543
Mère
8
07119913016
Vis
9
61211244264
 Clamp
10
07119904633
Zeskantige Schroef
10
07119904633
Zeskantige Schroef
11
07119932099
Rondelle
12
61211243302
Battery holder
13
61211233028
Rubber Mounting
14
07119904496
WAVE WASHER
16
61211244265
Cap
17
61211244290
Cap
19
61131367599
Cable tie
20
51141352555
LABEL "BATTERY"
21
61211243562
Tension strap
22
61121244261
Battery cable (plus pole)
23
61121244475
Battery cable, negative
24
61211244367
 Support
25
07119915124
 Hex bolt
26
61211459656
Mère
27
61131367099
 Cap
28
61211243530
Rubber Mounting

Узлы для