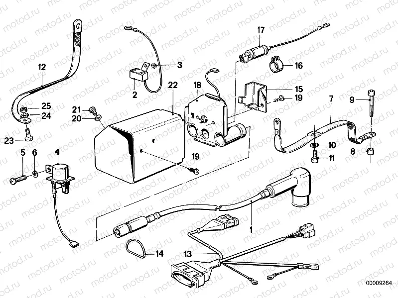
Anti-interference kit

Anti-interference kit
1
12121243748
IGNITION WIRE
Цена по
запросу
3
07119936134
TOOTH WASHER
Цена по
запросу
4
65311355502
SUPPRESSION CAPACITOR
Цена по
запросу
5
07119907646
Vis (Torx)
Цена по
запросу
6
07119932099
Rondelle
Цена по
запросу
7
65311244459
 Earth strap
Цена по
запросу
8
61131354359
 Bush
Цена по
запросу
9
07119904509
Vis (Torx)
Цена по
запросу
10
07119904496
WAVE WASHER
Цена по
запросу
11
07129905536
Vis (Torx)
Цена по
запросу
11
07129905536
Vis (Torx)
Цена по
запросу
13
65311244274
 Wiring full suppressing
Цена по
запросу
14
65311243826
 contact spring
Цена по
запросу
15
65311244327
 Covering cap
Цена по
запросу
16
07129952104
Collier
Цена по
запросу
17
65311353087
SUPPRESSION CAPACITOR
Цена по
запросу
18
65311244339
 Cover
Цена по
запросу
19
07119904170
Vis
Цена по
запросу
19
07119904170
Vis
Цена по
запросу
20
07119936439
Rondelle
Цена по
запросу
20
07119904206
Rondelle
Цена по
запросу
20
07119904206
Rondelle
Цена по
запросу
21
07119906822
Vis (Torx)
Цена по
запросу
22
65311244017
 Sleeve
Цена по
запросу
23
07119903804
Vis (Torx)
Цена по
запросу
23
07129903804
Vis (ISA)
Цена по
запросу
23
07119903804
Vis (Torx)
Цена по
запросу
24
07119936133
TOOTH WASHER
Цена по
запросу
25
07119905543
Nut
Цена по
запросу

Узлы для