Additional headlight

Additional headlight
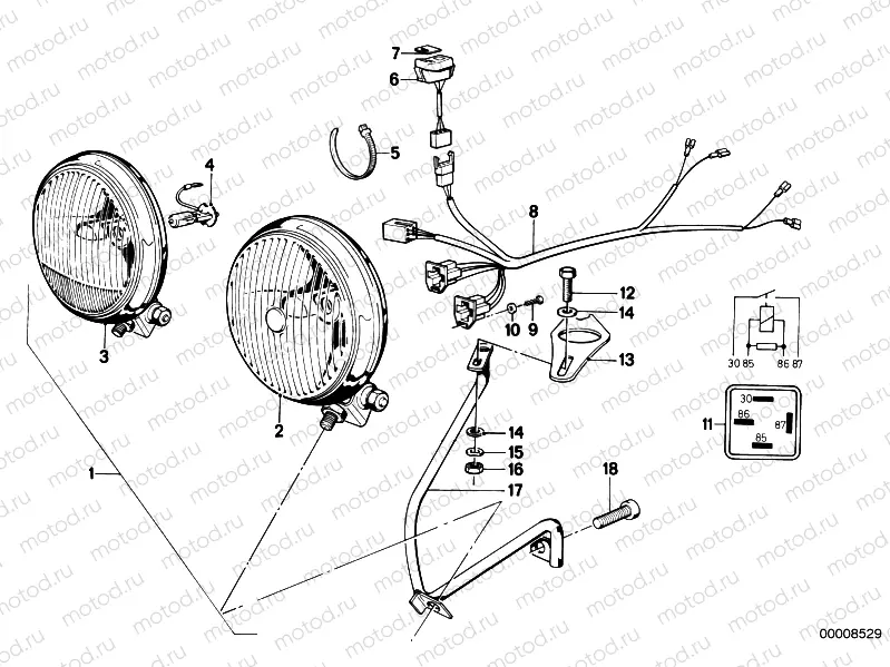
1
63171244508
INSTALLING SET ADDITIONAL HEAD LIGHT
2
63171243126
Additional headlight
3
63171243125
Fog lights
4
63217160777
BULB
5
61131377134
Cable tie
6
61311459306
ADDITIONAL SWITCH
7
61311459359
FOG TAIL LAMP SYMBOL
8
61121244422
WIRING ADDITIONAL HEAD LIGHT
9
07119907786
Vis
10
07119904206
Rondelle
10
07119936439
Rondelle
10
07119904206
Rondelle
11
61311373588
MINI-RELAY
11
61311373588
MINI-RELAY
12
07119905524
Vis
12
07119905524
Vis
13
31422300471
Shackle
14
07119904202
Rondelle
14
07119904202
Rondelle
14
07119904202
Rondelle
15
07119932099
Rondelle
15
07119904496
WAVE WASHER
16
07129905817
Nut
16
07129905817
Nut
16
07129905817
Nut
18
07129904984
Vis (Torx)
18
07119904984
Vis (Torx)

Узлы для