543A - REAR CUSHION LEVER

543A - REAR CUSHION LEVER
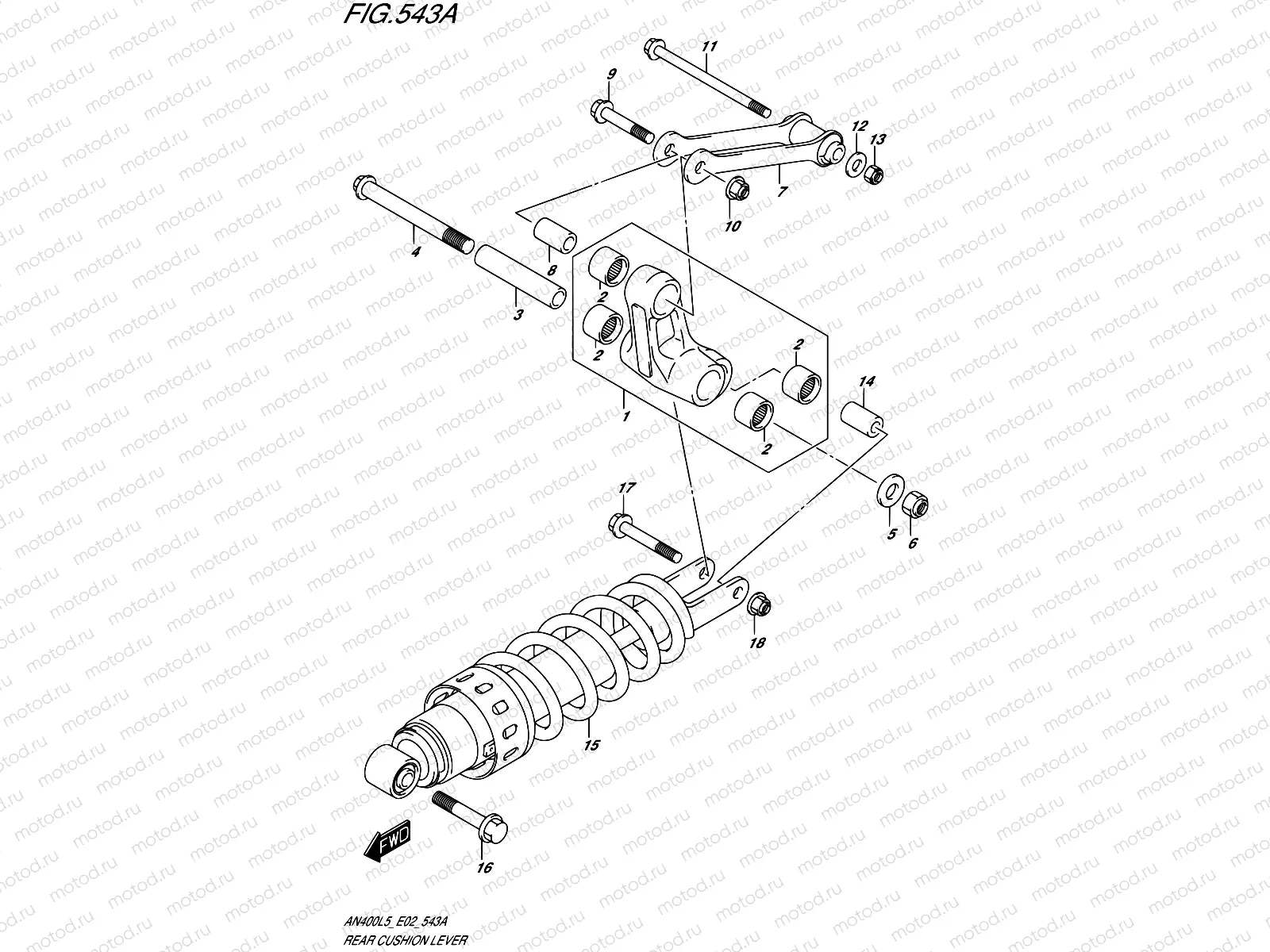
1
62601-05820
LEVER SET,RR CUSHION
28 543 ₽/шт
2
09263-17057
Bearing
1 324 ₽/шт
3
62646-08G00
SPACER,RR CUSHION ROD
1 873 ₽/шт
4
62621-19D00
BOLT,RR CUSHION ROD
997 ₽/шт
5
09160-12080
Шайба
2 580 ₽/шт
6
08319-2112A
Гайка
211 ₽/шт
7
62640-14F30
ROD,RR CUSHION LEVER
4 731 ₽/шт
8
62684-40A10
SPACER,RR CUSHION LEVER
646 ₽/шт
9
09103-10101
Болт нижней опоры
1 920 ₽/шт
10
08319-3110B
Гайка
1 920 ₽/шт
11
09103-10198
BOLT(10X132)
4 420 ₽/шт
12
09160-10039
Шайба
119 ₽/шт
13
09159-10027
Гайка
211 ₽/шт
14
62684-40A10
SPACER,RR CUSHION LEVER
646 ₽/шт
15
62100-05H80
Amortisseur arrière
16
09103-10126
BOLT(10X48)
226 ₽/шт
17
09103-10143
Болт нижней опоры
226 ₽/шт
18
08319-3110B
Гайка
1 920 ₽/шт

Узлы для